| Passwort vergessen?
Sie sind nicht angemeldet. |  Anmelden

Sprache auswählen:

Wumpus Gollum Forum von
Wumpus Welt der (alten) Radios
Sie sind nicht angemeldet.
 Anmelden

Restaurierung eines 6-Transistorradios der ersten Jahre 1958
  •  
 1 2 3
 1 2 3
25.05.18 23:46
Antennow

nicht registriert

25.05.18 23:46
Antennow

nicht registriert

Re: Restaurierung eines 6-Transistorradios der ersten Jahre 1958

Walter, der Treibertrafo hat deswegen drei einzelne voneinander isolierte Wicklungen. Man kann nämlich zwei gleichartige Transistoren in Reihe schalten, die dann gegenphasig angesteuert werden, wobei jeder Transistor über "seine" Treiberwicklung in "normaler" Emitterschaltung angesteuert wird. Den Lautsprecher kann man dann über einen fetten Elko oder über den Mittelpunkt der Batterie ankoppeln.
Eine Phasenumkehrstufe wäre auch möglich, aber damals war ein Treibertrafo wahrscheinlich noch billiger als ein weiterer Transistor für eine Phasenumkehrstufe.

Gruß ans Forum,

Antennow

bissl Strom braucht der Mensch....... und schöne Musik aus der Zeit der guten alten Radios

!
!!! Fotos, Grafiken nur über die Upload-Option des Forums, KEINE FREMD-LINKS auf externe Fotos.    

!!! Keine Komplett-Schaltbilder, keine Fotos, keine Grafiken, auf denen Urheberrechte Anderer (auch WEB-Seiten oder Foren) liegen!
Solche Uploads werden wegen der Rechtslage kommentarlos gelöscht!

Keine Fotos, auf denen Personen erkennbar sind, ohne deren schriftliche Zustimmung.

Den Beitrag-Betreff bei Antworten auf Threads nicht verändern!
26.05.18 08:35
WalterBar 

500 und mehr Punkte

26.05.18 08:35
WalterBar 

500 und mehr Punkte

Re: Restaurierung eines 6-Transistorradios der ersten Jahre 1958

Hallo Antennow,

danke für die Erklärung. So eine Schaltung kannte ich bislang nicht, denn es war "vor meiner Zeit". In der Tat ist ein "fetter" Elko (hier 470µF, original 500µF) zur stabilen Funktion dieser Endstufe elementar wichtig. Weicht man deutlich vor den Betriebsspannung ab (<8, >10,5V), dann wird wird die Sache ebenfalls instabil. Das passiert auch, wenn man statt des kurzen Batterieanschlusses eine längere Leitung zu einem Labornetzteil legt.

Gruss
Walter

26.05.18 10:32
Antennow

nicht registriert

26.05.18 10:32
Antennow

nicht registriert

Re: Restaurierung eines 6-Transistorradios der ersten Jahre 1958

Ja Walter, im Gegensatz zur Trafoschaltung, mit hochohmiger Primärimpedanz, müssen die Endtransistoren der "eisenlosen Endstufen" den niederohmigen Lautsprecher direkt ansteuern, und die Stromversorgung muß entsprechend einen niedrigen Innenwiderstand haben. Im Falle langer Zuleitungen oder auch gealterter Batterien läßt sich dieser Innenwiderstand dynamisch veringern, indem Du einen "fetten" Elko parallel zu den Batterieklemmen schaltest. Es wurden deshalb auch Lautsprecher mit Impedanzen bis 100 Ohm entwickelt, um einen guten Wirkungsgrad zu erzielen.

Keep testing,

Antennow


bissl Strom braucht der Mensch....... und schöne Musik aus der Zeit der guten alten Radios

26.05.18 19:35
HB9 

500 und mehr Punkte

26.05.18 19:35
HB9 

500 und mehr Punkte

Re: Restaurierung eines 6-Transistorradios der ersten Jahre 1958

Hallo zusammen,

eisenlose Endstufen ohne komplementäre Transistoren sind gar nicht so selten, die meisten ICs der 80er-Jahre hatten solche Endstufen, da es einfacher war, nur NPN-Transistoren auf den Chip zu setzen. Da solche Lösungen alles andere als symmetrisch sind, hat sich diese Schaltungstechnik aber nicht wirklich durchgesetzt.

Gruss HB9

26.05.18 19:55
wumpus 

Administrator

26.05.18 19:55
wumpus 

Administrator

Re: Restaurierung eines 6-Transistorradios der ersten Jahre 1958

Hallo zusammen,

ich will nochmal das Baujahr 1958 in den Fokus rücken in Relation zur eisenlosen Transistor-Gegentakt-Endstufe. Damals war das eher unüblich. Jedenfalls fällt mir im Augenblick so auf die Schnelle kein damaliges Transistorradio mit diesem Endstufenprinzip ein?



Grüße von Haus zu Haus
Rainer, DC7BJ (Forumbetreiber)
Ein Leben ohne Facebook ist möglich und sinnvoll.

Welt der alten Radios:
http://www.welt-der-alten-radios.de

Wumpus-Gollum-Forum:
http://www.wumpus-gollum-forum.de/forum

Virtuelle Voxhaus-Gedenktafel:
http://www.voxhaus-gedenktafel.de

Zuletzt bearbeitet am 26.05.18 19:55

27.05.18 02:39
qw123 

500 und mehr Punkte

27.05.18 02:39
qw123 

500 und mehr Punkte

Re: Restaurierung eines 6-Transistorradios der ersten Jahre 1958

Hallo Walter

WalterBar:
ich habe mich gefragt, wie man überhaupt mit zwei pnp-Germaniumtransistoren eine eisenlose "push-pull" NF-Endstufe aufbauen kann. In einem Forum habe ich gelesen, wie sich ein Nachbauer mit 2 x AC126 daran die Zähne ausgebissen hat.
eine vollständig eisenlose Endstufe mit zwei Ge-Leistungstransistoren aufzubauen ist nicht das Problem. Siehe z.B. hier:

http://www.saba.pytalhost.com/SabaTelewa...KHts100a_11.jpg

Allerdings benötigt diese Schaltung zwingend einen npn-Vorstufentransistor wenn ein Klasse-B oder -AB-Betrieb angestrebt wird. Entsprechend benötigen die von "HB9" erwähnten integrierten Schaltungen, wo aus technischen Gründen kein integrierter PNP-Si-Leistungs-Transistor eingebaut werden konnte, einen pnp-Transistor in der Vorstufe.

Vollständig eisenlose PP-Endstufen mit nur einer Polarität sind zwar möglich, wurden nach meiner Erinnerung aber nicht kommerziell gefertigt, da sie nur in Klasse A funktionieren.
Ein bekannt gewordenes Beispiel:

http://sound-au.com/tcaas/jlh1969.pdf

Hier werden zwar npn-Transistoren verwendet, im Prinzip ließe sich die Schaltung aber auch mit pnp-Ge-Transistoren ausführen. Der Vorstufen-Transistor mit komplementärer Polarität ist hier für die Funktion der Endstufe nicht zwingend notwendig, im Gegensatz zur o.g. Saba-Telewatt-Schaltung. In Klasse B oder AB funktioniert die Schaltung aber nicht.

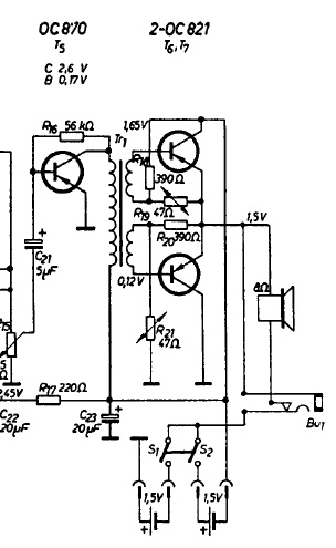
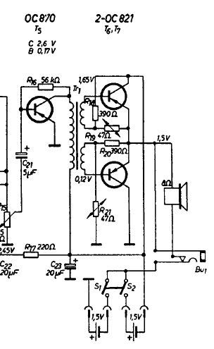
Deine Endstufe funktioniert in Klasse B/AB weil sie nicht vollständig eisenlos ist. Zur Ansteuerung der Endtransistoren wird ein Übertrager mit zwei galvanisch getrennten Sekundärwicklungen benötigt. Die eine Sekundärwicklung sollte gleichspannungsmäßig auf Masse liegen, die andere bei etwa der halben Betriebsspannung. Im Prinzip etwa so:


(Ohne Bias-Netzwerk!)

Gruß

Heinz

Datei-Anhänge
PP.jpg PP.jpg (466x)

Mime-Type: image/jpeg, 30 kB

27.05.18 09:38
WalterBar 

500 und mehr Punkte

27.05.18 09:38
WalterBar 

500 und mehr Punkte

Re: Restaurierung eines 6-Transistorradios der ersten Jahre 1958

Hallo Heinz,

wenn man die Schaltung PP.jpg noch mit 100 Ohm-Basisvor- und 2,2k Kollektor-Basiswiderstände ergänzen würde, dann hätte man wohl genau das Endstufenschaltbild des Radiomatic 695. Zur endgültigen Bestätigung müsste ich den Transformator noch einmal ausbauen, was ich mir aber wegen der beschädigten Wicklung ersparen will. Wahrscheinlich baue ich das aber extern noch einmal auf, um zu experimentieren. Dazu nüsste ich mir aber einen passenden Trafo besorgen. Offen bleibt auch, an welcher Stelle der einzelne 0,47 Ohm Widerstand eingesetzt ist.

Es bleibt die Unklarheit über das Jahr der Markteinführung. Die Franzosen haben hinter der Jahreszahl 1958 auch ein Fragezeichen gesetzt. Dem RM.org habe ich das Modell zur Einstellung vorgeschlagen und werde hier berichten, sollte es neue Erkenntnisse geben.

https://www.radiomuseum.org/r/radiomatic_695.html

Gruss
Walter

29.05.18 10:42
WalterBar 

500 und mehr Punkte

29.05.18 10:42
WalterBar 

500 und mehr Punkte

Re: Restaurierung eines 6-Transistorradios der ersten Jahre 1958

Hallo zusanmen,

es ist eine alte Weisheit: eine Theorie muss dem praktischen Test standhalten. Heute habe ich mir das Schaltbild von Heinz geschnappt und einen fliegenden Aufbau realisiert und ausgetestet. Als Transformator diente ein kleiner Printnetztrafo mit 2x30V Wicklungen. Da die Thompson Transistoren nicht zur Verfügung standen, habe ich zwei Telefunken OC602spez mit Kühlfahnen genommen. Anstelle der 100 Ohm musste ich 120 Ohm nehmen und anstelle der 0,47 Ohm Widerstände 1,8 Ohm. Es stellten sich 12mA Ruhestrom ein, die Transistoren wurden ohne Zusatzkühlung handwarm. Irgendwie musste ich im Radiomatic den zweiten 0,47 Ohm Widerstand übersehen haben.





Die Primärwicklung des Trafos habe ich mit 900 Ohm (sek. 2x27 Ohm) gemessen. Ein dort angeschlossener Tecsun PL660 war wegen Fehlanpassung nicht in der Lage, die Endstufe zu übersteuern, der Spitzenstrom stieg dabei auf 30mA. Verzerrungen konnte ich keine vernehmen.

Weil es in diesen Rahmen passt, habe ich gestern als Kontrastprogramm eine Platine mit dem TPA3125 bestückt. Das ist ein Klasse-D-Verstärker, wie er heutzutage in Flachfernsehern verbaut wird. Als Ansteuerung diente das gleiche Radio PL660. Bei 10V Betriebsspannung konnte etwa die gleiche Leistung wie mit den beiden 60 Jahre alten OC602 erzielt werden. 10W Ausgangsleistung sollen sich bei 26V Betriebsspannung einstellen. Meistens liegen diese Chips parallel zur LED-Hintergrundbeleuchtung bei 20V.





Gruss
Walter

Nachtrag: Allgegenwärtige Klasse-D-Verstärkerchips können ein weiterer Grund für die Verschmutzung der AM-Frequenzbereiche sein, wenn an externen Siebmitteln gespart wird.

Zuletzt bearbeitet am 12.06.19 15:25

Datei-Anhänge
PP-Experiment mit 2 OC602spez.jpg PP-Experiment mit 2 OC602spez.jpg (543x)

Mime-Type: image/jpeg, 428 kB

PP-Endstufe des Radiomatic 695.jpg PP-Endstufe des Radiomatic 695.jpg (796x)

Mime-Type: image/jpeg, 110 kB

10W Klasse-D-Verstärker mit TPA3125 (9...26V DC).jpg 10W Klasse-D-Verstärker mit TPA3125 (9...26V DC).jpg (490x)

Mime-Type: image/jpeg, 166 kB

Nahansicht 10W Klasse-D-Verstärker mit TPA3125 (9...26V DC).jpg Nahansicht 10W Klasse-D-Verstärker mit TPA3125 (9...26V DC).jpg (510x)

Mime-Type: image/jpeg, 318 kB

29.05.18 23:39
uwe_thomas 

250-499 Punkte

29.05.18 23:39
uwe_thomas 

250-499 Punkte

Re: Restaurierung eines 6-Transistorradios der ersten Jahre 1958

Hallo zusammen,

hatte das Mikki nicht auch dieses Schaltprinzip?

Mfg
Uwe Thomas

30.05.18 09:15
WalterBar 

500 und mehr Punkte

30.05.18 09:15
WalterBar 

500 und mehr Punkte

Re: Restaurierung eines 6-Transistorradios der ersten Jahre 1958

Hallo Uwe Thomas,

wenn Du das Stern Radio Mikki T120 meinst, dann ist es das gleiche Prinzip, ja! Aber die Betriebsspannung hat einen Mittelanzapf (siehe Beitrag von Antennow) und wir haben eine parallele und keine serielle PP-Schaltung. Sehr interessant, danke für den Hinweis. Ich als Wessi kannte das Radio nicht. Überhaupt habe ich das Radio in technischer Hinsicht erst ab 1968 wahrgenommen. Der Mikki kommt aus der Zeit 1962 bis 1965.



Gruss
Walter

Zuletzt bearbeitet am 12.06.19 15:26

Datei-Anhänge
NF-Teil Stern Radio Mikki T120.jpg NF-Teil Stern Radio Mikki T120.jpg (528x)

Mime-Type: image/jpeg, 42 kB

 1 2 3
 1 2 3
gleichspannungsmäßig   wumpus-gollum-forum   npn-Vorstufentransistor   Befestigungsgewindebolzen   Klasse-D-Verstärkerchips   Restaurierung   Voxhaus-Gedenktafel   pnp-Germaniumtransistoren   PNP-Si-Leistungs-Transistor   Glimmer-Pertinaxkondensatoren   Ge-Leistungstransistoren   Lautsprecheranschlüsse   Saba-Telewatt-Schaltung   Kollektor-Basiswiderstände   welt-der-alten-radios   Betriebsspannung   Gleichstromwiderstand   Transistor-Gegentakt-Endstufe   LED-Hintergrundbeleuchtung   6-Transistorradios