| Passwort vergessen?
Sie sind nicht angemeldet. |  Anmelden

Sprache auswählen:

Wumpus Gollum Forum von
Wumpus Welt der (alten) Radios
Sie sind nicht angemeldet.
 Anmelden

Rohde & Schwarz RC-Summer SRV
  •  
 1 2 3 4 5 .. 9
 1 2 3 4 5 .. 9
15.01.12 17:19
Uli 

500 und mehr Punkte

15.01.12 17:19
Uli 

500 und mehr Punkte

Re: Rohde & Schwarz RC-Summer SRV

Ich buddel diesen alten Thread nochmal aus, weil ich auch den Schaltplan zu dem SRV suche.
Ich habe einen, der ziemlich unverbastelt aussieht und gewähre auch gern Einblick bzw kann Photos von interessanten Stellen machen (wenn mir diese beschrieben werden).
Ich bekomme bei dem Gerät keinen sauberen Sinus hin. Bei niedrigen Frequenzen teilweise schon einigermassen, bei höheren manchmal mit viel Glück. Dann aber so, dass mit Phantasie ein Sinus zu erkennen ist, richtig sauber aber NIE. Oft zeigt das Oszi einfach nur "Grissel". Bin zwar ein Oszi-Laie, aber idR schaffe ich es doch, mir Kurven anzeigen zu lassen. Spätestens mit der Automatik-Funktion, die mein Oszi hat. Also gehe ich davon aus, dass das SRV einen "Schuss" hat.
Deswegen wäre ich dankbar für einen Schaltplan und für Tips. Speziell, bei welchen C´s ich aufpassen sollte weil frequenzbestimmend. NEIN, die schönen verlöteten/verkapselten Keramik-C´s pack ich nicht an, die halten wohl NOCH 1000 Jahre, ich liebe die :)
Die 4 grossen Becherelkos sehen aber z.B. verdächtig aus...
Vielen Dank im voraus,
Uli

Zuletzt bearbeitet am 02.06.12 09:38

!
!!! Fotos, Grafiken nur über die Upload-Option des Forums, KEINE FREMD-LINKS auf externe Fotos.    

!!! Keine Komplett-Schaltbilder, keine Fotos, keine Grafiken, auf denen Urheberrechte Anderer (auch WEB-Seiten oder Foren) liegen!
Solche Uploads werden wegen der Rechtslage kommentarlos gelöscht!

Keine Fotos, auf denen Personen erkennbar sind, ohne deren schriftliche Zustimmung.

Den Beitrag-Betreff bei Antworten auf Threads nicht verändern!
13.05.12 22:02
Martin.M 

500 und mehr Punkte

13.05.12 22:02
Martin.M 

500 und mehr Punkte

Re: Rohde & Schwarz RC-Summer SRV

hallo Uli,

ich hab ein SRV gekauft und kann da in Kürze Auskunft zu geben.

nette Grüße
Martin

13.05.12 22:05
Uli 

500 und mehr Punkte

13.05.12 22:05
Uli 

500 und mehr Punkte

Re: Rohde & Schwarz RC-Summer SRV

Wumpus Mühlen mahlen langsam - aber wird nix vergessen hier :)
Würd mich freuen, wenn Du was hättest!
Ist aber sowieso eher eine Bastelei für den Winter, drum: Lass Dir Zeit.

02.06.12 06:00
Martin.M 

500 und mehr Punkte

02.06.12 06:00
Martin.M 

500 und mehr Punkte

Re: Rohde & Schwarz RC-Summer SRV

hallo,

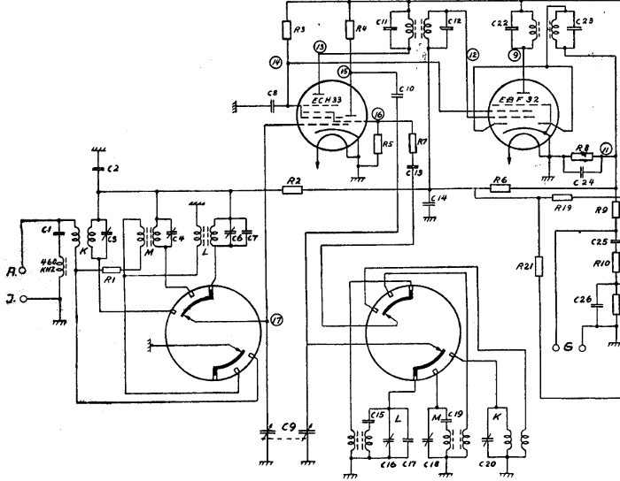
ich hab zwar einen Schaltplan,
der sieht aber aus als wär er durch Generationen von Kopier- und Pausgeräten gewandert...

Mein SRV,
kurze Fehlerbeschreibung:
Nur in der Stellung 40kHz schwingt er munter drauf los, alle anderen Bereiche sind still.

Die EL11 wackelt im Sockel rum, muß geklebt werden.
Beide Stabis leuchten.

Leider sind keine Spannungen eingetragen, das würde das Prüfen vereinfachen.
Schaun wir mal

nette Grüße
Martin

02.06.12 09:46
Uli 

500 und mehr Punkte

02.06.12 09:46
Uli 

500 und mehr Punkte

Re: Rohde & Schwarz RC-Summer SRV

Ohoh, das klingt nicht gut.
Hast Du wenigstens einen Scanner und kannst den Plan dann mittels digitaler Nachbearbeitung versuchen zu retten? Irgendwelche Werte werden sich nach Deiner wohl wenn überhaupt dann höchstens noch mit viel Phantasie lesen lassen.
Leider bin ich nicht so gut, dass ich eine Schaltung/Schaltplan sehe und dann WEISS, was wie wo sein muss und warum wie ist. Darum bin ich auf gute Pläne und/oder Hilfe angewiesen.
Aber trotzdem und auch wenn meine Lötzeit wie gesagt eher in den Winter fällt, bin ich gern bereit zu helfen mit Fotos, Messergebnissen und Oszi-Bildern. Mein SRV macht ja noch ein bisschen mehr als Deiner, insofern könnte das evtl wirklich eine Hilfe sein.
EL11 musste ich glaub auch kleben aber das ist ja nicht die grösste Herausforderung ;)

Liebe Grüsse,
Uli

02.06.12 11:43
nobbyrad58 

500 und mehr Punkte

02.06.12 11:43
nobbyrad58 

500 und mehr Punkte

Re: Rohde & Schwarz RC-Summer SRV

Hallo Zusammen!

Auch wenn es ein bisschen Randthema in Diesem Thread ist. Man kann auch mit einfachen Mitteln, wie preiswerten Scanner und Freeware Bildbearbeitung hier mit Gimp unter Linux oft was brauchbares aus alten Vorlagen herausholen. Hier ein kleines Beispiel:

MFG Nobby

Datei-Anhänge
Radiofon Org.jpg Radiofon Org.jpg (568x)

Mime-Type: image/jpeg, 90 kB

Radiofon3.jpg Radiofon3.jpg (593x)

Mime-Type: image/jpeg, 67 kB

02.06.12 11:54
Uli 

500 und mehr Punkte

02.06.12 11:54
Uli 

500 und mehr Punkte

Re: Rohde & Schwarz RC-Summer SRV

Genau an so etwas hatte ich gedacht.
Bloss: Wenn so ein Plan wirklich durch GENERATIONEN von Kopier- und vor allem noch Pausgeräten gelaufen ist, dann kann ich mir vorstellen, dass er die Bezeichnung "Plan" nicht mehr verdient und höchstens noch als "grobe Skizze" durchgeht ;)
Na ich hoffe, Martin wird uns damit beglücken, damit wir uns selbst ein Bild machen können. Und evtl gibt´s ja einen Photoshop/Gimp Künstler hier im Forum, der dann helfen kann? Weil wirklich gut bin ich mit sowas auch nicht :(

02.06.12 13:10
Martin.M 

500 und mehr Punkte

02.06.12 13:10
Martin.M 

500 und mehr Punkte

Re: Rohde & Schwarz RC-Summer SRV

hier der Plan

nette Grüße
Martin

Datei-Anhänge
SRV.pdf SRV.pdf (592x)

Mime-Type: application/pdf, 268 kB

02.06.12 16:25
Ronn 

500 und mehr Punkte

02.06.12 16:25
Ronn 

500 und mehr Punkte

Re: Rohde & Schwarz RC-Summer SRV

Habe mal den Schaltplan in Photoshop geladen, aber da scheint mit Filtern nicht mehr viel machbar zu sein. Neuwertig wird er jedenfalls nicht!

Allerdings finde ich ihn auch noch nicht sooo schlecht, dass man daraus nicht noch etwas entnehmen könnte. Die Bauteilwerte sind ja - Gott sei Dank - extra aufgeführt und ein Großteil der Bauteile ist im Schaltplan zuordenbar. Da könnte man vielleicht einfach handschriftlich noch mal die Bauteilindizes lesbar daneben schreiben.



Mehr als ein Lautsprecher brauch ein Radio nicht!
Meine Frau sagt immer ich höre sowieso nur mit einem Ohr zu.

02.06.12 17:46
radioljub01 

100-249 Punkte

02.06.12 17:46
radioljub01 

100-249 Punkte

Re: Rohde & Schwarz RC-Summer SRV

Hallo liebe Summerfreunde,

ich entschuldige mich für die späte Reaktion. Ich arbeite im Ausland und bin nur noch ab und zu in der Heimat und schaue dann auf meine Emails. Und so entdeckte ich heute mit Schrecken, dass Ihr Euch mit den Unterlagen für das SRV abmüht. Also müht Euch bitte nicht mehr. Ich habe die Unterlagen in meinem Fundus... in ausgezeichnet lesbarer Qualität.

Ich bin seit einigen Jahren auch im Besitz eines SRV, der grausig verbastelt wurde. Jemand hat den Netztrafo ersetzt.... das ginge ja gerade noch. Danach hat er alle Elkos und MPs entsorgt und durch Kondensatoren neuerer Produktion ersetzt. Das hätte er nicht tun sollen. Irgendwo mittendrin hat er sich vertüdelt. So geht auch mein SRV nur noch so ein wenig. Zum reparieren hatte ich noch keine Zeit. So steht er in einer Ecke und staubt ein.

In einem bekannten Internet Verkaufsforum wurde mal einer angeboten, bei dem die ganzen Kondensatoren noch im Originalzustand waren. Auf Anfrage hat mir der Verkäufer freundlicherweise Detailaufnahmen der Chassisober- und Unterseite geschickt. Also sind bei mir sogar diese Details vorhanden.

Also lasst mich bitte wissen, an wen ich die Unterlagen schicken soll.

Gruss und Entschuldigung,
Harald

 1 2 3 4 5 .. 9
 1 2 3 4 5 .. 9
Gitter-Koppelkondensator   RC-Summer   Physikalisch-Technische-Entwicklungslabor   Kondensator-Güte-Tester   Waschmaschinenkondensatoren   Reparaturfreundlichkeit   urheberechtsgeschützten   Rechteinhaber-Diskussion   Unterlagen   Mögel-Dellinger-Effekt   Spannungsstabilisierung   Grüße   Ausgangsspannungsregelung   Zuletzt   bearbeitet   Schwarz   Spannung   Schirmgitter-Vorwiderstand   Bildverarbeitungsprogramm   Gleichspannungs-Widerstand