| Passwort vergessen?
Sie sind nicht angemeldet. |  Anmelden

Sprache auswählen:

Wumpus Gollum Forum von
Wumpus Welt der (alten) Radios
Sie sind nicht angemeldet.
 Anmelden

Das "beste" Audion?
  •  
 1 .. 8 .. 14 15 16 17 18
 1 .. 8 .. 14 15 16 17 18
28.12.12 10:17
Klaus 

500 und mehr Punkte

28.12.12 10:17
Klaus 

500 und mehr Punkte

Re: Das "beste" Audion?

Zitieren:
Ich erinnere mich aber, dass dort an einer aperiodischen Vorstufe die Antenne nicht wie üblich am Steuergitter, sondern über die Kathode gekoppelt war. Kennt jemand von Euch eine solche Schaltung und kann mir Näheres dazu sagen?
Hallo Uwe,

das erinnert mich an Tuner im Fernsehbereich, bei denen die Antenne ebenfalls an der Kathode angeschlossen war.
Wenn du nach Gitterbasis-Schaltung suchst, wirst du fündig.

Oder du schaust hier: h..p://www.radau5.ch/pdf_files/roeren_6.pdf

Viele Grüße
Klaus

!
!!! Fotos, Grafiken nur über die Upload-Option des Forums, KEINE FREMD-LINKS auf externe Fotos.    

!!! Keine Komplett-Schaltbilder, keine Fotos, keine Grafiken, auf denen Urheberrechte Anderer (auch WEB-Seiten oder Foren) liegen!
Solche Uploads werden wegen der Rechtslage kommentarlos gelöscht!

Keine Fotos, auf denen Personen erkennbar sind, ohne deren schriftliche Zustimmung.

Den Beitrag-Betreff bei Antworten auf Threads nicht verändern!
28.12.12 14:56
Uwe.Soboszcyk 

250-499 Punkte

28.12.12 14:56
Uwe.Soboszcyk 

250-499 Punkte

Re: Das "beste" Audion?

Hallo Klaus,
vielen Dank für Deinen Hinweis. Habe es inzwischen auch in einem meiner Bücher gefunden. Es handelte sich wie du schon schriebst um eine Gitterbasisschaltung mit niedrigem Eingangswiderstand. Soll etwa gleiche Verstärkung wie die Kathodenbasisschaltung bringen. Gem. meines Buches entfällt dabei die Neutralisation der Stufe. Für die EF183 ist das aber wohl eher suboptimal, da sie mit dieser Schaltung ja die Regelröhren-Charakteristik mit der variablen Vorspannung an g1 einbüsst.
Also offenbar nicht so eine gute Idee für mein Projekt.

Ich hatte mich in den letzten Monaten fast nur -insbesondere theoretisch- mit der Kathodenbasisschaltung auseinandergesetzt, weshalb ich wohl den Wald vor Bäumen nicht gesehen habe.
Ich rechne gerade an der gefundenen Kathodenbasisschaltung mit 70 Volt Anodenbetriesspannung herum. Vielleicht lässt sich daraus noch Honig saugen.

MFG Uwe

28.12.12 16:00
Pluspol 

500 und mehr Punkte

28.12.12 16:00
Pluspol 

500 und mehr Punkte

Re: Das "beste" Audion?

Hallo Uwe

Schön, dass Du mit Deinem KW-Audionprojekt wieder präsent bist.
Inzwischen hast Du Dich über Fachliteratur etwas weiter sachkundig machen können.
Bei aller wichtigen Theorie der Kurvenscharen und Herstellerdaten, sprechen der praktische Versuch und die damit gewonnen Erfahrungen das letzte und wichtigste Wort.
Dein verbastelter KW-Empfänger lässt sich als Entwicklungsstation wieder auf "Normalnull" zurückfahren.
Ich denke, dass Du ein Kaskodenaudion mit von Hand regelbarer HF-Vorstufe wählen könntest.
So lassen sich z. B. Gitter- und Katodenwiderstände mit einem R-Trimmer experimentell auf Optimum testen.
Die Wahl höherer Anodenspannung entscheidet da, ob es mit der ECC85 und den EF183/184 weitergehen soll.
Mit 70 Volt ließe sich mit der ECC86 und speziellen Kleinspannungspentoden EF98 ein leistungsfähiges HF-Konzept entwickeln. Die NF-Stufen könnten je nach erwünschter Ausgangsleistung mit einer preislich billigen PCL86 realisiert werden. Dazu gibt es bereits verfügbare funktionierende Applikationen.
Viel Spaß am weiteren Bau.

Freundliche Grüße von Dietmar

28.12.12 23:12
nobbyrad58 

500 und mehr Punkte

28.12.12 23:12
nobbyrad58 

500 und mehr Punkte

Re: Das "beste" Audion?

Hallo Uwe!

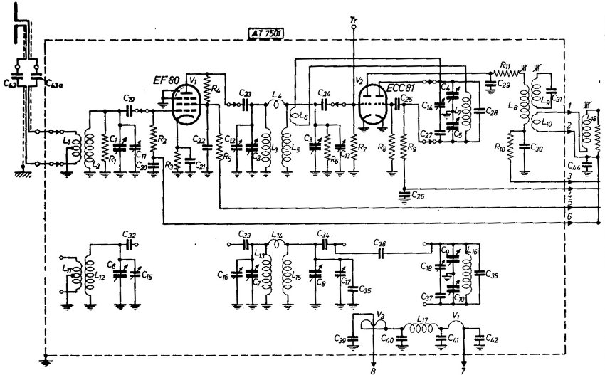
Bin mal von der "anderen Seite" an das Vorstufenproblem herangegangen. Von der kürzeren Welle eines Fernsehsignals. Frühe Fernsehempfänger hatten für das damalige Bd I auch eine KB Vorstufe mit der EF 80. Diese Möglichkeit einer Schaltung wäre mit Sicherheit einfacher als eine RC Verstärkung mit einem hohen Anodenwiderstand stabil zu bekommen. Die Zweite EF 80 ist hier als Mischstufe geschaltet, könnte natürlich auch ein Audion sein. Eine Anpassung an EF 183, 184 wäre bestimmt möglich.

MFG Nobby

Zuletzt bearbeitet am 28.12.12 23:12

Datei-Anhänge
HF Stufe FS Empfänger.jpg HF Stufe FS Empfänger.jpg (1227x)

Mime-Type: image/jpeg, 59 kB

29.12.12 00:55
Uwe.Soboszcyk 

250-499 Punkte

29.12.12 00:55
Uwe.Soboszcyk 

250-499 Punkte

Re: Das "beste" Audion?

Hallo Dietmar, hallo Nobbi,

ich hab ja versucht, die Theorie immer wieder in der Praxis zu überprüfen, soweit das mit meinen Bordmitteln möglich war.
Immerhin habe ich dabei gelernt, dass nicht jede Schaltung, die man im Internet findet, auch gut funktioniert. Übrigens gibt es zu Audion-Schaltungen, insbesondere zum Kaskode-Audion, nur wenig Fachliteratur. An dieser Stelle bin ich wohl weiterhin weitestgehend auf die Vorgehensweise "Versuch macht klug" angewiesen. Allerdings gibt es ja hier im Forum eine Schaltung, die auch von Rainer favorisiert wird. Kaskode-Audion mit ECC85.
Die würde ich gern nachbauen. Die Röhre ist 2-fach neu vorhanden und ich denke, die Schaltung ist bewährt. Die Niedervolt Röhren haben ihre Vorteile, aber auch ihre Grenzen hinsichtlich der zu erzielenden Leistungen.

Ich habe von einem Bekannten einen fast völlig zerstörten Löwe-Meteor bekommen. Das Teil muss wohl mal vom Regal gefallen sein, oder es ist was richtig Schweres draufgefallen. Das Holzgehäuse völlig zerbrochen, keine Röhren mehr drin, bis auf die ECC85 vom UKW-Tuner. Leider ist bei der aber der Heizdraht offen. Das Chssis hat die Katastrophe aber offenbar gut überstanden. Sogar die Skalenscheibe ist noch ganz. Der UKW-Tuner allerdings ist ein richtig tolles Teil. Kleiner Drehko mit schätzungsweise 10-20 pF, wenn man die Plattenpaare zusammenschaltet. Wie für die Abstimmung eines AFu-Bandes gemacht! Durchführungskondensatoren, ein Loch für eine Röhrenfassung und komplett gekapselt. Ich habe denTuner sogar so ausbauen können, dass das Skalenseil noch auf dem von der Achse des Drehkos gelösten Rad ist.
Den Tuner habe ich bis auf den Drehko gerupft. Das Loch leicht vergrössert und eine Keramik-Oktalfassung mit Goldkontakten eingebaut, die später die Steckspulen mit den inzwischen vorhandenen Oktal-Sockeln aufnehmen soll. Seitlich kommt ein zweites Loch für eine Keramik-Noval-Fassung hinein, die dann die ECC85 aufnimmt. Für die Röhre ist auch noch eine Abschirmung vorhanden. So wird das ein relativ kleines und gut geschirmtes Teil. Sozusagen ein "Audion-Modul".
Derzeit spiele ich mit dem Gedanken, das Audion dann wieder an seinen Platz zu montieren und das Chassis komplett zu verwenden, da es noch gut und stabil ist. Der Lautstärkepoti für die Rückkopplung, einen Tonregler für die Basisvorspannung der EF183 und den anderen Tonregler für die Lautstärke. Das hätte den Vorteil z.B.einer tollen Skala und eines stabilen Aufbaus sowie der bereits vorhandenen Spannungsversorgung und einer Endstufe, für die mir allerdings noch die El84 fehlt. Der Gleichrichter und der Elko sind hinüber, aber der Trafo scheint noch i,O. Für die defekten Teile habe ich Ersatz und die Spannungen für Audion und Vorstufe werden ohnehin stabilisiert. Ausserdem viel Platz für Erweiterungen.
So werden mit dem Tastensatz die Drehkos und die 2 Skalen mechanisch umgeschaltet, so dass man auf dem Chassis sogar noch ein weiteres Projekt realisieren könnte....Viele Möglichkeiten! Lediglich ein neues Gehäuse müsste gebaut werden. Das scheint mir aber ebenfalls machbar.
Ich werde mich jedoch zunächst auf das Audion-Modul konzentrieren und erst danach die Vorstufe bauen. Ich habe heute noch mal mit der EF183 experimentiert. Die Spannung am Schirmgitter spielt offenbar eine sehr grosse Rolle und bietet insbesondere bei hohem Anodenwiderstand eine grosse Rolle hinsichtlich des Anodenstromes. Da ist Raum für Optimierungen! Und dann ist da ja auch noch der Selectojet...
Es gibt noch viel zu tun, auf dem Weg zum "besten" Audion.

Vielen Dank, dass ihr mich nach so langer "Klausur" wider so freundlich aufnehmt!

MfG Uwe

29.12.12 01:54
Uwe.Soboszcyk 

250-499 Punkte

29.12.12 01:54
Uwe.Soboszcyk 

250-499 Punkte

Re: Das "beste" Audion?

Hallo Nobby,

ich hab mir gerade dein Schaltbild mit den zwei EF80 noch einmal angesehen und den Post noch einmal gelesen.
Bitte nicht hauen, aber ich verstehe es nicht so richtig, was du meinst.
Die Kathodenbasisschaltung ist ja durch die EF183 ohnehin vorgegeben, wenn eine Regelung über die Gittervorspannung realisiert werden soll. Die von Dir gepostete Schaltung ist eine solche. Dort wird die Gittervorspannung allerdings mindestens Teilweise über die hochgelegte Kathode realisiert.
(Nicht so gut - habe ich gelernt-, wenn auch im Datenblatt empfohlen).

Die Stufe arbeitet auf einen Anodenwiderstand und die HF wird über die 220pF ausgekoppelt. Soweit ist doch alles wie gehabt!?

Einziger signifikanter Unterschied zum Gehabten ist der Eingang der Stufe über einen an die Antenne gekoppelten Schwingkreis. Das Steuergitter liegt HF-mäßig am heißen Ende des Schwingkreises und gleichspannungsmäßig über den nach unten aus dem Schaltbild geführten Widerstand auf der Regelspannung. Das ist doch aber bei einer Einkopplung der HF über einen Kondensator und dem Anlegen der Regelspannung über eine Drossel das gleiche!?

Kannst du mir die Unterschiede kurz klar machen?
Danke vorab.
MfG Uwe

29.12.12 16:41
nobbyrad58 

500 und mehr Punkte

29.12.12 16:41
nobbyrad58 

500 und mehr Punkte

Re: Das "beste" Audion?

Hallo Uwe!

Bei dem Schaltbild ging es nicht nur um das Prinzip, sonder auch um die Bauteilwerte. Der nicht überbrückte Katoden R soll die Eingangskapazität konstant halten, bei den hohen Frequenzen so um 40 MHz > auch nötig. Du hast bei Deinem EF 183 Versuchen einen Anodenwiderstand von 39 K verwendet, um die max. Verstärkung zu erreichen. Ich meine das ist zu viel, eine Verstärkung 5 - 15 sollte ausreichen. Deshalb habe ich noch ein Schaltbildteil eines frühen FS Empfängers hier gezeigt mit den Werten des Anoden und Schirmgitter R bei der EF 80, diese sind viel kleiner. Diese steilen Pentoden wurden im HF Verstärkerbereich als Breitbandverstärker eingesetzt und hatten damit keine sehr hohe Stufenverstärkung, die nötige Gesamtverstärkung wurde durch die Verwendung eine größeren Zahl von Stufen erreicht. Die unten gezeigte Schaltung, also der Eingang um die EF 80 entspricht so Deiner Idee, zumindest in etwa glaube ich.
Die Bauteile R um die EF 80: R1=1,2k ; R2=10K ; R3=120 ; R4=3,9k ; R5=1k

MFG Nobby

Datei-Anhänge
HF Eingang mit EF 80.jpg HF Eingang mit EF 80.jpg (1380x)

Mime-Type: image/jpeg, 92 kB

15.06.22 21:48
bergkamerad 

0-49 Punkte

15.06.22 21:48
bergkamerad 

0-49 Punkte

Re: Das "beste" Audion?

Hallo Nobby,

die Schaltung des ECO-Audions mit der EF14 finde ich hochinteressant. Das komplette Schaltbild (mit einer weiteren EF14 in der Endstufe) hatte ich vorher schon auf einer Hobby-Projekt-Seite (JRB) gefunden ("0-V-1"), allerdings mit modern gezeichneten Bauteilen und zwei offenbar eingeschlichenen Fehlern. Insofern ist das Original schon mal sicherer. Ich hätte dazu drei Fragen:

1) Wäre die Schaltung grundsätzlich auch für Mittel- und Langwelle zu empfehlen (bei Anpassung bestimmter Bauteil-Werte, versteht sich)? Oder existiert ein entsprechendes MW/LW-ECO-Audion mit der EF14 vieleicht sogar schon?

2) Das untere Ende der Spule L liegt an Masse. Gleichzeitig werden auch die Anzapfungen mittels des Stufenschalters auf Masse gelegt. Bedeutet das nicht normalerweise einen Kurzschluß, der die gesamte Induktivität zunichte macht? Alle Spulenwindungen sind doch magnetisch miteinander gekoppelt. Nach meinem Verständnis müsste das untere Ende von L auf den offenen Schalterkontakt gelegt werden.

3) Wie wirken die Trimmer C7 bis C11? Klar ist, jeder Trimmer soll einem Wellenbereich zugeordnet sein. Könnte es sich aber in Verbindung mit Dr4 vielleicht um Sperrkreise handeln, die jeder auf einen unerwünschten Sender im jeweiligen KW-Band abgestimmt werden können? Falls ja, müßte man sie ja auch weglassen können (Katode auf Masse).

Ich hätte Lust, die Schaltung mit den Original-Stahlröhren als LW/MW-Radio irgendwann mal zu realisieren. Die Röhren und einen passenden Trafo mit Extra-Heizwicklung für eine EZ11 hätte ich nämlich im Haus

Viele Grüße
Nils

 1 .. 8 .. 14 15 16 17 18
 1 .. 8 .. 14 15 16 17 18
vielleicht   Zuletzt   zusammen   rettet-unsere-radios   Verstärkung   natürlich   Schaltung   bearbeitet   richtig   Anodenspannung   allerdings   letzten   könnte   Röhren   Rückkopplung   deutschen   Antenne   wumpus-gollum-forum   gemacht   Vorstufe