| Passwort vergessen?
Sie sind nicht angemeldet. |  Anmelden

Sprache auswählen:

Wumpus Gollum Forum von
Wumpus Welt der (alten) Radios
Sie sind nicht angemeldet.
 Anmelden

Frühes Nachkriegsradio Atlas RA1
  •  
 1 2
 1 2
18.03.22 16:56
wumpus 

Administrator

18.03.22 16:56
wumpus 

Administrator

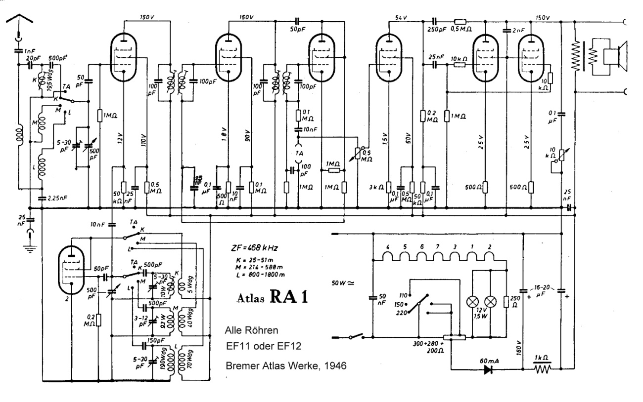
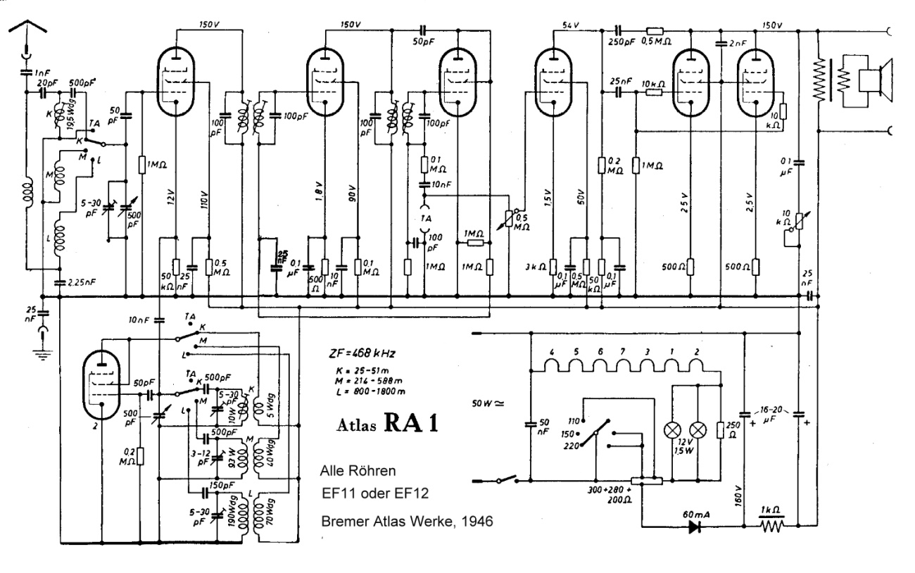
Frühes Nachkriegsradio Atlas RA1

Hallo zusammen,


wieder mal was zum Schaltbildlesen: Ein frühes Nachkriegsradio von der Bremer Radiowerke, der Atlas RA1. Man kann ein Jahr nach Kriegsende durchaus noch von "Notradio" sprechen. Warum? weil hier alle Röhren vom Typ EF11 oder EF12 sind, einschließlich der NF-Endröhren. Die sind sogar parallel geschaltet, um etwas NF-Leistung zu erreichen.

Die Mischstufe und Oszillatorstufe ist getrennt, verkoppelt vom Gitter 1 der Oszillatorröhre um Gitter 1 der Mischröhre. Sogar ein TA-Anschluß und ein Klangregler ist vorhanden.

Durch die Allstromschaltung ist das Netzteil relativ einfach gestaltet, immerhin gibt es eine Siebdrossel statt eines Siebwiderstands.

Geeignet für 220, 150, 110 Volt Netz. 3 Wellenbereich, ein Anschluss für Aussenlautsprecher. Interessant auch die AM-Demodulation und Regelspannungs-Schaltung.

Ich finde diese "Notradios" immer interessant, weil man versuchte aus Beständen was zusammen zu fummeln.

Bei Wumpus Welt der Radios gibt es eine Seite zu Notradios:


https://www.welt-der-alten-radios.de/kom...ln-242.html#s14

Hier die Schaltung vom Atlas RA1:





Grüße von Haus zu Haus
Rainer, DC7BJ (Forumbetreiber)

Welt der alten Radios:
http://www.welt-der-alten-radios.de

Wumpus-Gollum-Forum:
http://www.wumpus-gollum-forum.de/forum

Virtuelle Voxhaus-Gedenktafel:
http://www.voxhaus-gedenktafel.de

Wumpus bei youtube:
https://www.youtube.com/user/MyWumpus

Datei-Anhänge
atlas-ra1.jpg atlas-ra1.jpg (217x)

Mime-Type: image/jpeg, 210 kB

regency, Axel, apollo, RWA, Debo, WalterBar und Vorkreis gefällt der Beitrag.
!
!!! Fotos, Grafiken nur über die Upload-Option des Forums, KEINE FREMD-LINKS auf externe Fotos.    

!!! Keine Komplett-Schaltbilder, keine Fotos, keine Grafiken, auf denen Urheberrechte Anderer (auch WEB-Seiten oder Foren) liegen!
Solche Uploads werden wegen der Rechtslage kommentarlos gelöscht!

Keine Fotos, auf denen Personen erkennbar sind, ohne deren schriftliche Zustimmung.

Den Beitrag-Betreff bei Antworten auf Threads nicht verändern!
19.03.22 15:34
MB-RADIO 

500 und mehr Punkte

19.03.22 15:34
MB-RADIO 

500 und mehr Punkte

Re: Frühes Nachkriegsradio Atlas RA1

Hallo Wumpus,

eine interessante Schaltung.
Bei den vielen Bauteilen kann aber keine große Not mehr geherrscht haben.
Alle Stufen mit einem Röhrentyp war eher bei Notschaltungen mit der RV12P2000 üblich.

Danke und Viele Grüße
Bernd

Zwei Dinge sind unendlich, das Universum und die menschliche Dummheit, aber bei dem Universum bin ich mir noch nicht ganz sicher. (Albert Einstein)

19.03.22 16:23
wumpus 

Administrator

19.03.22 16:23
wumpus 

Administrator

Re: Frühes Nachkriegsradio Atlas RA1

Hallo Bernd,

na ja, es gab damals um 1945 / 46 zumindest partiellen Materialmangel und Materialüberfluß gleichzeitig, je nach dem in welcher Besatzungszone man lebte, gab es unterschiedliche Bestände. Ebenso konnte es eine Rolle spielen, was im regionalen Umfeld zugreifbar war, zumeist waren Neuproduktionen von Bauteile nur in noch geringen Stückzahlen lieferbar. Lieferverkehr im Interzonenbereich waren teilweise auch noch problematisch.

So nahmen Firmen eben das , was bei ihnen erreichbar war. Hier bei Atlas scheinen es z.B. die EF12 Röhren gewesen zu sein, weniger Endröhren, die dann auch den Heizkreislauf kompliziert hätten.


Grüße von Haus zu Haus
Rainer, DC7BJ (Forumbetreiber)

Welt der alten Radios:
http://www.welt-der-alten-radios.de

Wumpus-Gollum-Forum:
http://www.wumpus-gollum-forum.de/forum

Virtuelle Voxhaus-Gedenktafel:
http://www.voxhaus-gedenktafel.de

Wumpus bei youtube:
https://www.youtube.com/user/MyWumpus

19.03.22 18:31
MB-RADIO 

500 und mehr Punkte

19.03.22 18:31
MB-RADIO 

500 und mehr Punkte

Re: Frühes Nachkriegsradio Atlas RA1

Hallo,

Rüstungsbetriebe hatten sicherlich noch genug Material um sowas Aufwändiges zu bauen. Für den kleinen Mann war der aber viel zu teuer.
Trotzdem ist die EF als Doppeldiode doch schon Verschwendung.
Das mit der Heizung hatte ich garnicht bedacht. Das ist aber ein ganz schöner Stromfresser.

Viele Grüße
Bernd

Zwei Dinge sind unendlich, das Universum und die menschliche Dummheit, aber bei dem Universum bin ich mir noch nicht ganz sicher. (Albert Einstein)

20.03.22 09:29
WalterBar 

500 und mehr Punkte

20.03.22 09:29
WalterBar 

500 und mehr Punkte

Re: Frühes Nachkriegsradio Atlas RA1

Hallo zusammen,

ein Mitglied des RM hat dieses Luxusradio für einen erlesenen Kundenkreis (nicht Notradio) in seiner Sammlung, sodass Bilder seines Aufbaus vorliegen:

https://www.radiomuseum.org/r/atlas_ra1_ra_1.html

Das Innere erinnert ein wenig an den Grundig Heinzelmann.

1946 bis 1948 bei 300 bis 400 Stück spricht eine deutliche Sprache: Die normale Bevölkerung hatte andere Sorgen.
Für die Abstimmskala hat man Lineal, Tuschestift und Schablone in die Hand genommen. Diese Methode kannte ich
auch noch aus meinem Ausbildungsjahr 1969. Im Gerät #152 muss das freilich nicht Original sein.

Falls jemand einzelne Komponenten nachbauen will:




Gruss
Walter

Zuletzt bearbeitet am 20.03.22 10:22

Datei-Anhänge
Spulenwerte.png Spulenwerte.png (211x)

Mime-Type: image/png, 31 kB

21.03.22 07:58
HB9 

500 und mehr Punkte

21.03.22 07:58
HB9 

500 und mehr Punkte

Re: Frühes Nachkriegsradio Atlas RA1

Hallo zusammen,

Kleinsignal-Röhren als NF-Endröhren gab es auch andernorts, z.B. wird im E148UK oder E149UK (Kommunikationsempfänger von Telefunken für UKW) eine halbe E88CC als NF-Endröhre genutzt, und dieser Empfänger ist alles andere als ein Notradio. Mit den beiden parallelgeschalteten EF12 dürfte durchaus ein halbes Watt oder mehr zu erreichen sein, und das reicht im Wohnzimmer gut.

Die Oszillatorröhre hätte man noch sparen können, wenn man einen selbstschwingenden Mischer in Brückenschaltung gebaut hätte, so wie später bei den UKW-Tunern, aber die waren halt noch nicht erfunden. Die als Doppeldiode missbrauchte EF12 ist originell, man soll aber daran denken, dass die Kapazität zwischen Steuer- und Schirmgitter als Koppelkapazität für das Bandfilter dient und daher berücksichtigt werden muss (inklusive Wickelsinn, der bestimmt, ob die induktive und kapazitive Kopplung sich ergänzen oder gegeneinander arbeiten).

Gruss HB9

21.03.22 09:33
MB-RADIO 

500 und mehr Punkte

21.03.22 09:33
MB-RADIO 

500 und mehr Punkte

Re: Frühes Nachkriegsradio Atlas RA1

Hallo,

nun als Luxusgerät hat bestimmt die Anzahl der Röhren den Preis bestimmt. Je mehr Röhren, um so höher der Profit.

Die ineren Röhrenkapazitäten sind aber gegenüber der Koppelkapazität doch viel kleiner, so daß das von HB9 erwähnte wohl nicht ganz so ins Gewicht fällt. Da ändert sich doch nach Abgleich auch nichts mehr daran. Selbst bei einen Röhrenwechsel wird das noch in der Toleranz liegen.
Aber danke für den Hinweis, das könnte für Nachbauer wichtig sein.

Beim Schwarzburg 875-53 GWU konnte man die UBF80 auch gegen eine UCH81 tauschen Teilweise wurde der mit 2x UCH81 ausgeliefert.
Solche Trickischaltungen gab es nach dem Krieg wohl öfters. Ich habe damals aber gestaunt, als mir das auf die Füße fiel und laut Schaltplänen sich dann auch als richtig heraus stellte.

Viele Grüße
Bernd

Zwei Dinge sind unendlich, das Universum und die menschliche Dummheit, aber bei dem Universum bin ich mir noch nicht ganz sicher. (Albert Einstein)

21.03.22 16:30
wumpus 

Administrator

21.03.22 16:30
wumpus 

Administrator

Re: Frühes Nachkriegsradio Atlas RA1

Hallo zusammen,

ich bemerke, dass mein Begriff "Notradio" auf gewisse Vorbehalte stößt. Nun, mit Notradio meine ich eben auch ein Radio bei dem der Hersteller anscheinend nicht komplett auf Wunschbauteile zurückgreifen konnte. Man nahm was da war und irgendwie geeignet war. Das Ergebnis konnte aber dann durchaus ein respektables Radio sein. So wird es wohl auch bei dem Atlas A1 gewesen sein.



Grüße von Haus zu Haus
Rainer, DC7BJ (Forumbetreiber)

Welt der alten Radios:
http://www.welt-der-alten-radios.de

Wumpus-Gollum-Forum:
http://www.wumpus-gollum-forum.de/forum

Virtuelle Voxhaus-Gedenktafel:
http://www.voxhaus-gedenktafel.de

Wumpus bei youtube:
https://www.youtube.com/user/MyWumpus

Zuletzt bearbeitet am 21.03.22 16:30

21.03.22 16:39
HB9 

500 und mehr Punkte

21.03.22 16:39
HB9 

500 und mehr Punkte

Re: Frühes Nachkriegsradio Atlas RA1

MB-RADIO:

Die ineren Röhrenkapazitäten sind aber gegenüber der Koppelkapazität doch viel kleiner, so daß das von HB9 erwähnte wohl nicht ganz so ins Gewicht fällt. Da ändert sich doch nach Abgleich auch nichts mehr daran. Selbst bei einen Röhrenwechsel wird das noch in der Toleranz liegen.
Aber danke für den Hinweis, das könnte für Nachbauer wichtig sein.


Die Kapazität zwischen Steuer- und Schirmgitter beträgt schnell ein paar pF, denn die sind ja direkt übereinander. Wenn man die 'heissen' Enden der Schwingkreise kapazitiv miteinander koppelt, braucht es sehr wenig, je nach Schwingkreisgüte. Bei meinem Eigenbau-Transistor-Superhet waren es 0.5pF Koppelkapazität, und bei den Nordmende-Bandfilter der Generation um 1960 (die sind auch kapazitiv gekoppelt) besteht die Koppelkapazität aus 2 parallelen Leiterbahnen mit etwa 1cm Länge und 1mm Abstand zueinander, das gibt auch nicht viel Kapazität.
Die Toleranz der Röhrenkapazität ist aber sehr klein und kann vernachlässigt werden.

Gruss HB9

21.03.22 17:02
WalterBar 

500 und mehr Punkte

21.03.22 17:02
WalterBar 

500 und mehr Punkte

Re: Frühes Nachkriegsradio Atlas RA1

basteljero:

Ein Puzzel-Teil fehlt jetzt noch: Wofür die verwendeten EF12 ursprünglich gedacht waren.
Anzunehmen wäre ein Gerät aus dem Marine-Bereich.


... Echolote, S-Anlagen ...
Du musst deine eigenen Links mal lesen ...

Nichts für Ungut
Walter



Nachtrag, Zitat aus der Funktechnik 18/1947, Seite 11:
(Lesenswert auch der Artikel über die "heulende VCL11")

"Bei den Atlas-Werken, einem
Tochterbetrieb der gleichnamigen elek-
tro-medizinischen Fabrik in Bremen, kam
der Bau eines vielversprechenden Klein
supers, der speziell auf die Verwendung
der Stahlröhre EF 12 zugeschnitten war,
noch vor Beginn einer rentablen Serien
fertigung durch die völlige Demontage
des Maschinenparks zum Stillstand. Die
etwa 400 bis dahin ausgelieferten Stücke
stellten übrigens den ersten nach dem
Krieg konstruierten Super im Handel der
Westzone dar. Zur Zeit arbeitet das
Werk an einem Einkreiser mit drei Röh
ren P 2000 ..."

... der Ra2 hiess und als "Notradio" (300RM!) durchgeht:

https://www.radiomuseum.org/r/atlas_ra2_ra_2.html

Ansonsten baute man danach in München bis Mitte der 70er keine Radios mehr, sondern Hörgeräte,
Audiometer, Diktiergeräte, Rauschgeneratoren und Gleichstromverstärker für Schreiberanlagen.

Zuletzt bearbeitet am 22.03.22 17:05

Datei-Anhänge
Atlas_Z17.png Atlas_Z17.png (193x)

Mime-Type: image/png, 190 kB

 1 2
 1 2
Kleinsignal-Röhren   selbstschwingenden   Aussenlautsprecher   Wumpus-Gollum-Forum   Nachkriegsradio   Frühes   parallelgeschalteten   Materialüberfluß   Gleichstromverstärker   Koppelkapazität   welt-der-alten-radios   Regelspannungs-Schaltung   Eigenbau-Transistor-Superhet   Röhrenkapazitäten   Nordmende-Bandfilter   Röhrenkapazität   Oszillatorröhre   vielversprechenden   Kommunikationsempfänger   Voxhaus-Gedenktafel