| Passwort vergessen?
Sie sind nicht angemeldet. |  Anmelden

Sprache auswählen:

Wumpus Gollum Forum von
Wumpus Welt der (alten) Radios
Sie sind nicht angemeldet.
 Anmelden

Selbstgebautes Mischpult Version 1
  •  
 1 .. 8 .. 14 15 16 17 18
 1 .. 8 .. 14 15 16 17 18
15.05.11 22:48
technikfreund 

500 und mehr Punkte

15.05.11 22:48
technikfreund 

500 und mehr Punkte

Re: selbstgebautes Mischpult

Hallo Zusammen!

Das kleine Pult ist nun auch komplett funktionsfähig.
Zwischen Mikrophonbuchse und Mono Emitterschaltung habe ich
ein Poti von 50 K-Ohm eingebaut. Damit habe ich eine passende Vorregelung.

Viele Grüße und Dank, Technikfreund.

!
!!! Fotos, Grafiken nur über die Upload-Option des Forums, KEINE FREMD-LINKS auf externe Fotos.    

!!! Keine Komplett-Schaltbilder, keine Fotos, keine Grafiken, auf denen Urheberrechte Anderer (auch WEB-Seiten oder Foren) liegen!
Solche Uploads werden wegen der Rechtslage kommentarlos gelöscht!

Keine Fotos, auf denen Personen erkennbar sind, ohne deren schriftliche Zustimmung.

Den Beitrag-Betreff bei Antworten auf Threads nicht verändern!
28.06.11 20:39
technikfreund 

500 und mehr Punkte

28.06.11 20:39
technikfreund 

500 und mehr Punkte

Re: selbstgebautes Mischpult

Hallo Zusammen!

Hier mal ein Foto vom fertigen Mischpult, komplett
mit Signallampen Steuerung und VU-Metern.

Viele Grüße Technikfreund.javascript:$.markItUp(%20{%20replaceWith:''});

Zuletzt bearbeitet am 28.06.11 20:40

Datei-Anhänge
Mischpult.JPG Mischpult.JPG (427x)

Mime-Type: image/jpeg, 43 kB

16.07.11 17:20
technikfreund 

500 und mehr Punkte

16.07.11 17:20
technikfreund 

500 und mehr Punkte

Re: selbstgebautes Mischpult / Phono Vorverstärker

Hallo Zusammen!

Das Mischpult funktioniert gut, gerade habe ich eine größere Umbauaktion
abgeschlossen.
Und zwar habe ich den inneren Aufbau geändert:
Die Ausgangsklangregelung habe ich rausgeschmissen, weil diese immer noch
leichte Verzerrungen verursacht hat.
Dafür habe ich eine Mikro Klangregelung und eine Vorregelung für die Mikros eingebaut,
das Gehäuse nun komplett fertig gestellt und die Platinen am Gehäuseboden angeschraubt.
(Vorher waren sich diese "kopfüber" an einer Holzleiste unter der Aluplatte montiert.

Da ich nun etwas mehr Platz im Pult habe, möchte ich interne MM-Vorverstärker
für die Plattenspieler einbauen. Den Dual TVV 47 hatte ich ja zweimal nachgebaut
und extern angeschlossen, jedoch suche ich nun etwas rauscharmes, da der
Dual doch ganz schön rauscht.

Im Internet habe ich folgenden Schaltplan gefunden:
http:// senderbau.egyptportal.ch/images/mxphonovv.gif

Jedoch kann ich keinen Anschluss für die Spannungsversorgung entdecken, ist
das eine passive Schaltung und ist das was brauchbares?
Das IC hätte ich schon mal da, die anderen Bauteile größtenteils auch.

Falls jemand eine andere Schaltung hat, freue ich mich über eine Antwort.
Folgende Vorraussetzungen sollte die Schaltung haben:
Spannungsversorgung 12 Volt DC. (Das ist die Versorgungsspannung aller Platinen im Pult)
Rauscharm.

@ Admin, wie mache ich den Link "unanklickbar"? Einfach ein Leerzeichen nach dem 2. Slash einfügen. MfG. Klaus, Co-Mod.

Viele Grüße Technikfreund.

16.07.11 18:31
Klaus 

500 und mehr Punkte

16.07.11 18:31
Klaus 

500 und mehr Punkte

Re: selbstgebautes Mischpult

Hallo Technikfreund,

wenn ich dein Schaltbild betrachte, fällt auf, dass die Bauteilwerte fehlen. Es handelt sich also um eine prinzipielle Darstellung einer aktiven Schaltung, die natürlich auch einer Spannungsversorgung bedarf. Üblicherweise werden OPs symmetrisch versorgt, sicherlich trifft das auch hier zu.
Es wäre daher hilfreich, wenn du die fehlenden Werte (Bauteile und Versorgungsspannung) noch irgendwie ermitteln könntest.
Falls dir das nicht gelingen sollte, finden sich natürlich im Netz auch noch genügen andere, komplette Schaltungen.

Viele Grüße
Klaus

16.07.11 18:59
technikfreund 

500 und mehr Punkte

16.07.11 18:59
technikfreund 

500 und mehr Punkte

Re: selbstgebautes Mischpult

Hallo Klaus!

Mein Fehler, hatte den Link direkt aufs Schaltbild gesetzt und
vergessen die Bauteilliste mit beizufügen, also hier:

R1 : 47 k
R2 : 2.2 k
R3 : 4.7 k
R4 : 180 k
R5 : 10 k
R6 : 2.7 k
R7 : 100 k
R8 : 750 Ohm
R9 : 100 k
C1 : 22 uF
C2 : 22 uF
C3 : 22 nF
C4: 100 nF
C5: 1 uF
IC: NE5532

Von der Spannungsversorgung steht da überhaupt nichts.
Laut Beschreibung sollen die Widerstände 1% Toleranz haben.

Viele Grüße Technikfreund.

Zuletzt bearbeitet am 16.07.11 19:01

16.07.11 19:14
Klaus 

500 und mehr Punkte

16.07.11 19:14
Klaus 

500 und mehr Punkte

Re: selbstgebautes Mischpult

Hallo Technikfreund,

mittlerweile habe ich die Seite mit den Bauteilangaben ebenfalls entdeckt, zudem auch die, die Angaben zu den Anschlüssen zur Spannungsversorgung liefert:

http:// senderbau.egyptportal.ch/audiomixer_aufbau.htm

Dann steht dem erfolgreichen Aufbau nichts mehr im Wege.
Wenn du das Datenblatt im Netz für den NE5532 studierst, findest du als maximale Versorgungsspannung symmetrische +/- 22V. Geringere Spannungen funktionieren problemlos, lediglich der Aussteuerbereich reduziert sich entsprechend.

Viele Grüße
Klaus

16.07.11 19:40
qw123 

500 und mehr Punkte

16.07.11 19:40
qw123 

500 und mehr Punkte

Re: selbstgebautes Mischpult

Hallo Technikfreund,

technikfreund:

Im Anhang mal ein Bild von Phono Vorverstärker.
Die Schaltung ist vom Dual TVV 47 übernommen.
.......

Er klingt gut, rauscht und brummt nicht und ist durch die Größe auch
Mobil einsetzbar.





technikfreund:
Den Dual TVV 47 hatte ich ja zweimal nachgebaut
und extern angeschlossen, jedoch suche ich nun etwas rauscharmes, da der
Dual doch ganz schön rauscht.


warum rauscht er denn jetzt?
Das könnte daran liegen, daß er hochfrequent schwingt. Hast Du das schon mal überprüft?

Ich hätte gegen die Schaltung des TVV47 das eine oder andere einzuwenden, aber nicht, daß sie zu starkem Rauschen neigt. Du solltest vielleicht nochmal alle Arbeitspunkte überprüfen.

Zu Deiner neuen Schaltung wäre noch anzumerken, daß der Einsatz des 5532 nicht ganz unproblematisch ist. Er muß sehr sorgfältig abgeblockt werden (siehe auch Datenblatt). Andernfalls neigt er deutlich mehr als andere Opamps zu hochfrequentem Schwingen. Ich würde an Deiner Stelle die Schaltung mit einem anderen Opamp, z.B. OPA27 o.ä. aufbauen.

Gruß

Heinz

16.07.11 20:15
technikfreund 

500 und mehr Punkte

16.07.11 20:15
technikfreund 

500 und mehr Punkte

Re: selbstgebautes Mischpult

Hallo Heinz!

Stimmt, ich hatte damals geschrieben das er nicht rauscht, tat er auch nicht,
was aber daran lag, das im Pult noch die Ausgangsklangregelung eingebaut war.
Diese hat das Ausgangsignal sehr stark gedämpft, sodass kein Rauschen zu hören war.
(Dafür gab es Tonverzerrungen)

Hatte den TVV 47 gerade mal direkt am Grundig Vorverstärker angeschlossen, da ist er tatsächlich
rauscharm, am Mischpult angeschlossen steigert sich das Grundrauschen (s. nächsten Absatz)
des Pultes, wenn der Regler des Vorverstärker TVV 47 mit hochgezogen wird.

Das zweite Rauschproblem was ich habe, ist der LM 358 in der Misch/Verstärkerstufe.
Wird der nachgeschaltete Grundig Vorverstärker mit Aktivboxen normal aufgedreht, hört man
kein Rauschen, wird er etwas weiter aufgedreht, rauscht es sehr stark. Ohne angschlossenes
Mischpult rauscht der Grundig überhaupt nicht.
Probehalber hatte ich den LM 358 gegen einen NE 5532 getauscht, der rauscht nicht,
brummt dafür aber und fängt auch an zu "heulen".
Wie du gerade geschrieben hast, neigt der NE 5532 zu hochfrequenten Schwingungen, was für ein
rauscharmes IC könnte ich denn in der Misch/Verstärkerstufe einbauen, wäre ein TL072 gut?

Damit es nicht zu Missverständnissen kommt, ich hatte in einem anderen Forum auch über ein selbstgebautes
Mischpult gelesen, dessen Erbauer auch erst einen TVV 47 eingebaut hatten und diesen später aufgrund
des "starken" Rauschens gegen einen anderen ausgetauscht hatten. Deshalb wollte ich meinen auch tauschen,
aber er scheint ja nur in Verbindung mit dem Mischpult stark zu rauschen.

Danke für deine Unterstützung.

Viele Grüße Technikfreund.

Zuletzt bearbeitet am 16.07.11 20:17

17.07.11 13:30
qw123 

500 und mehr Punkte

17.07.11 13:30
qw123 

500 und mehr Punkte

Re: selbstgebautes Mischpult

technikfreund:

Hatte den TVV 47 gerade mal direkt am Grundig Vorverstärker angeschlossen, da ist er tatsächlich
rauscharm,

Ein guter Test.
Er zeigt, daß die Ursache des Rauschens nicht im TVV47 liegt.

technikfreund:
am Mischpult angeschlossen steigert sich das Grundrauschen (s. nächsten Absatz)
des Pultes, wenn der Regler des Vorverstärker TVV 47 mit hochgezogen wird.

.....
Wird der nachgeschaltete Grundig Vorverstärker mit Aktivboxen normal aufgedreht, hört man
kein Rauschen, wird er etwas weiter aufgedreht, rauscht es sehr stark. Ohne angschlossenes
Mischpult rauscht der Grundig überhaupt nicht.

Rauschen ohne Signal läßt sich natürlich beliebig verstärken. Es kommt darauf an, ob das Nutz-Signal in gleichem Maße stärker wird. Mit anderen Worten: Du solltest nicht den Rauschpegel allein betrachten sondern nur das Verhältnis von Musiksignal (bzw. Test-Sinussignal) zu Rauschen, also das Signal/Rauschverhältnis.

So wie Du es beschreibst, könnte es sein, daß die Verstärkung Deines Mischpults zu hoch ist.
Normalerweise gibt es zu einem Mischpult einen 'Pegelplan'. D.h. man versucht den Signal-Pegel zwischen zwei aufeinander folgenden Stufen bei voll aufgedrehten Reglern möglichst konstant zu halten. Und zwar so, daß einerseits keine Stufe übersteuert wird und andererseits das Eigenrauschen jeder Stufe weit (z.B. 60dB) unter dem Eingangspegel liegt. Wieweit das bei Dir der Fall ist läßt sich aus der Ferne und ohne genauen Schaltplan nicht sagen. Selber mal überprüfen.

technikfreund:
Das zweite Rauschproblem was ich habe, ist der LM 358 in der Misch/Verstärkerstufe.

......wäre ein TL072 gut?

Der LM358 ist eine gut 30 Jahre alte Konstruktion und war nicht unbedingt für rauscharme NF-Verstärker vorgesehen. Sein Vorzug besteht eher darin, daß er speziell für den Betrieb mit nur einer Versorgungsspannung konstruiert wurde. Nach meiner Meinung ist das für ein Mischpult nicht die beste Wahl.
Je nach Schaltung muß sich das nicht unbedingt bemerkbar machen, aber ein modernerer Opamp - z.B. TL072 - mit symmetrischer Betriebsspannung ist wahrscheinlich besser. Aber wie oben angedeutet, das Rauschen hängt nicht nur vom verwendeten Opamp ab.


technikfreund:
.....in einem anderen Forum auch über ein selbstgebautes Mischpult gelesen, dessen Erbauer auch erst einen TVV 47 eingebaut hatten und diesen später aufgrund des "starken" Rauschens gegen einen anderen ausgetauscht hatten. Deshalb wollte ich meinen auch tauschen, aber er scheint ja nur in Verbindung mit dem Mischpult stark zu rauschen.

Wie Dein Test oben gezeigt hat, kommt das Rauschen nicht vom TVV47. Ein Austausch gegen einen anderen Vorverstärker würde daher wohl auch keine Änderung bringen.


Grüße

Heinz

17.07.11 13:46
technikfreund 

500 und mehr Punkte

17.07.11 13:46
technikfreund 

500 und mehr Punkte

Re: selbstgebautes Mischpult

Hallo Heinz!

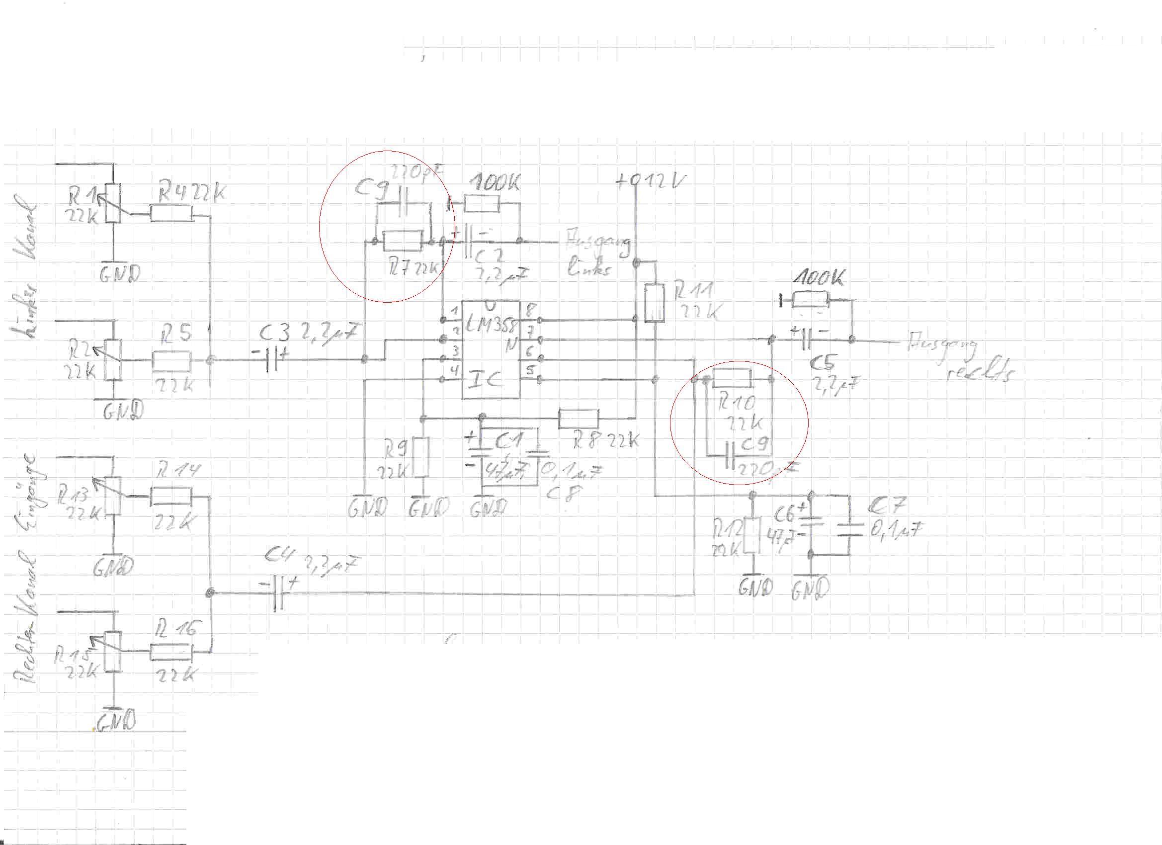
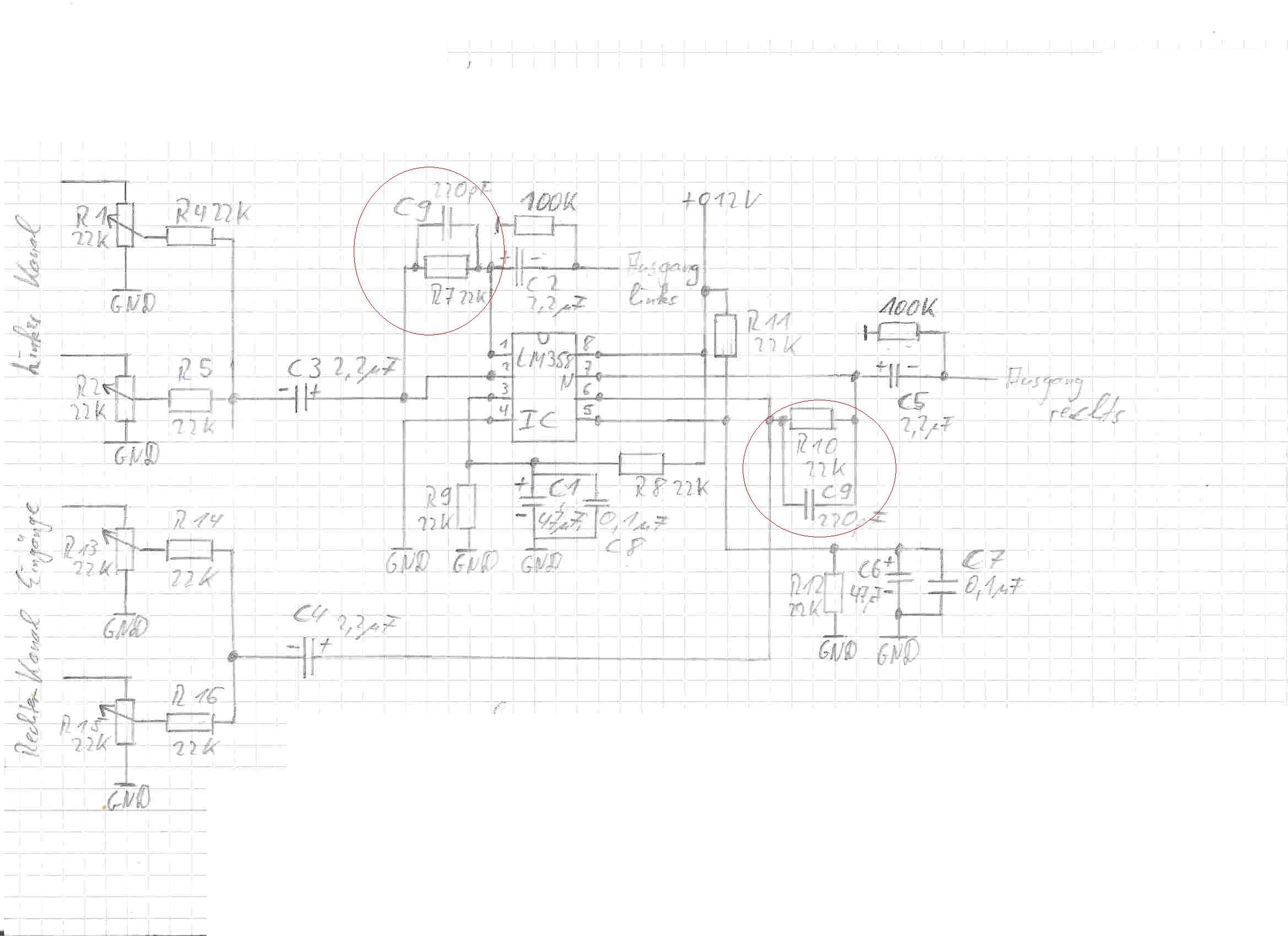
Hier mal der Schaltplan der Misch/Verstärkerstufe.

Da die Verstärkung am Anfang nicht ausreichte, habe
ich auf Ingos Hinweis R7 und R10 sowie die parallel
geschalteten Kondensatoren C9 von 22K/200pF
auf 100K/47pF erhöht bzw. verringert.

Den nachgeschalteten Verstärker muss ich umgefähr
halb aufdrehen (bei voll hochgezogenen Mischpult Potis)
um eine gute Lautstärke zu erreichen.

Im Anhang der Schaltplan, die genannten Bauteile sind rot
eingekreist.

Ein anderes "Problem" was ich habe ist folgendes: Arbeite ich mit meinem
Mikrofon, empfange ich ganz leise einen Rundfunksender. Je nach dem ob ich
mit dem Uher M534 oder Grundig GDM 317 arbeite, ist der Sender lauter oder leise.
Kann man etwas gegen diesen "Nebeneffekt" machen?

Viele Grüße und Dank, Technikfreund.

javascript:$.markItUp(%20{%20replaceWith:''});

Zuletzt bearbeitet am 17.07.11 14:02

Datei-Anhänge
Misch und Verstärkerstufe.JPG Misch und Verstärkerstufe.JPG (486x)

Mime-Type: image/jpeg, 208 kB

 1 .. 8 .. 14 15 16 17 18
 1 .. 8 .. 14 15 16 17 18
Technikfreund   Vorverstärker   Zusammen   Schaltplan   Selbstgebautes   Plattenspieler   Zuletzt   Schaltung   Verstärkung   Winfried   angeschlossen   Spannung   eingebaut   funktioniert   könnte   Grüße   Widerstände   Tonabnehmer   Mischpult   bearbeitet