| Passwort vergessen?
Sie sind nicht angemeldet. |  Anmelden

Sprache auswählen:

Wumpus Gollum Forum von
Wumpus Welt der (alten) Radios
Sie sind nicht angemeldet.
 Anmelden

Philips BD 390A
  •  
 1 2 3 4 5 6
 1 2 3 4 5 6
16.08.13 19:25
regency 

500 und mehr Punkte

16.08.13 19:25
regency 

500 und mehr Punkte

Re: Philips BD 390A

Hallo zusammen,
das Philips Orion ist jetzt soweit wiederhergestellt. Das Gehäuse war so stark beschädigt, so dass das obere Holzfurnier ersetzt werden musste, inkl. Schellack (Tischler). Den Original- Lautsprecherstoff habe ich trotz der unentfernbaren Flecken nicht ersetzt. Da er insgesamt schon sehr ausgeblichen war hat er allerdings etwas Farbe bekommen - schwache Textilfärbung mit Salz als Fixiermittel wie für Seidenstoff. Ich finde es jetzt gut so.



Inkl. des eingebauten ersten Philips Vorsatzgerätes 7455 (Flankenaudion mit Rückkopplung und HF Vorstufe mit ECH43, die ich ersetzt habe durch eine ECH42) empfängt es alle Wellenbereiche gut mit Zimmer-Drahtantennen, Kurzwelle sehr gut. Trotz abweichender Toleranzen von Kondensatoren (Teerbomben) und Widerständen sind die Betriebswerte dauerhaft zufriedenstellend. Das Gerät ist seit Herstellung im Jahr 1949/50 im damals neuen Philips Valvo Werk Hamburg original. Auch fast alle Röhren Röhren, die zudem eine spezielle rote Stempelfarbe für das Valvo Logo aufweisen, was noch nicht geklärt werden konnte. Auch die Skalenlampen sind original. Eine Besonderheit ist der Trafo, der mit einer Thermosicherung ausgestattet ist.



Ersetzt habe ich zwei Kondensatoren und die defekte Gleichrichterröhre AZ41. Zudem habe ich das Skalenseil für den Vortrieb des Zeigers ersetzen müssen. Ich vermute, dass dieses Radio, nachdem die AZ41 defekt war, irgendwo auf dem trockenen Speicher gelandet ist und dort einige Jahrzehnte verbracht hat. Irgend jemand fand die Rückwand zum Abstreichen beim Malern nützlich. Gottseidank hat sie überlebt. Die Vorsteck-Skala hat zwar schon den Kopenhagener Wellenplan, jedoch sind alles nur Meterangaben, auch bei Mittelwelle keine kHz.



Herzlichen Dank an alle, die mir mit Tipps geholfen und Interesse am Projekt hatten. Die 7455 habe ich einem anderen Thread inkl. Hörprobe ausführlich beschrieben: http://www.wumpus-gollum-forum.de/forum/...55-1_209.html#3
Die Skalanseilerstellung ist hier:
http://www.wumpus-gollum-forum.de/forum/...1_184_2.html#15
Hier sind noch ein paar Bilder.

Schöne Grüße, Jan

Datei-Anhänge
BD390Avorn.jpg BD390Avorn.jpg (396x)

Mime-Type: image/jpeg, 27 kB

BD390A-hinten.jpg BD390A-hinten.jpg (414x)

Mime-Type: image/jpeg, 32 kB

BD390Avornan.jpg BD390Avornan.jpg (387x)

Mime-Type: image/jpeg, 25 kB

BD390A-7544.jpg BD390A-7544.jpg (400x)

Mime-Type: image/jpeg, 31 kB

Vorsatz7455.jpg Vorsatz7455.jpg (482x)

Mime-Type: image/jpeg, 23 kB

Skalenseil.jpg Skalenseil.jpg (419x)

Mime-Type: image/jpeg, 36 kB

!
!!! Fotos, Grafiken nur über die Upload-Option des Forums, KEINE FREMD-LINKS auf externe Fotos.    

!!! Keine Komplett-Schaltbilder, keine Fotos, keine Grafiken, auf denen Urheberrechte Anderer (auch WEB-Seiten oder Foren) liegen!
Solche Uploads werden wegen der Rechtslage kommentarlos gelöscht!

Keine Fotos, auf denen Personen erkennbar sind, ohne deren schriftliche Zustimmung.

Den Beitrag-Betreff bei Antworten auf Threads nicht verändern!
30.07.22 12:08
regency 

500 und mehr Punkte

30.07.22 12:08
regency 

500 und mehr Punkte

Re: Philips BD 390A

Hallo an alle,
ich habe das Gerät mir nochmal vorgenommen. Auf Kurzwelle hat man ja noch viele Sender. Der NF Teil hat ein Problem, dass mich bei der systematischen Suche nach der Ursache überfordert. Vielleicht kann mir jemand helfen.

Es geht um folgendes. Bei der Lautstärke steigt im ersten Drittel der hörbare Brumm stark an, nimmt ab und verschwindet fast bei voll aufgedrehtem Lautstärkesteller. Die Lautstärke selbst passt.

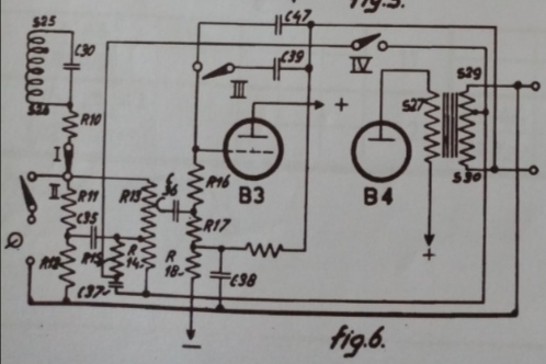
Anbei Ausschnitte aus den Service unterlagen, die mir holländisch vorliegen.

Viele Grüße
Jan (regency)



Zuletzt bearbeitet am 30.07.22 12:19

Datei-Anhänge
Screenshot_20220730_120943.jpg Screenshot_20220730_120943.jpg (171x)

Mime-Type: image/jpeg, 143 kB

Screenshot_20220730_121221.jpg Screenshot_20220730_121221.jpg (172x)

Mime-Type: image/jpeg, 52 kB

30.07.22 19:23
regency 

500 und mehr Punkte

30.07.22 19:23
regency 

500 und mehr Punkte

Re: Philips BD 390A

Danke, Jens.

Habe die Treiberröhre getauscht, die Kondensatoren C35-38 gemessen. Da die parallel wirksamen Widerstände groß sind, brauchte ich sie nicht auslöten. Alle haben höhere gemessene Kapazität als Soll. Hohe Spannungen liegen ja nicht an, Leckströme sind für mich nicht nachweisbar.

Eine Komplettsanierung ist bei dem Radio sinnlos, dann müssten nahezu alle Kondensatoren und viele Widerstände raus, der originale Notradio-Nachkriegscharakter wäre dahin.

Habe jedoch den entscheidenden Schaltungszweig, welcher die Brummkompensation bestimmt, noch nicht gefunden und nicht verstanden.

Gruß, Jan

31.07.22 09:08
regency 

500 und mehr Punkte

31.07.22 09:08
regency 

500 und mehr Punkte

Re: Philips BD 390A

Moin Jens und vielen Dank! Das Schaltbild ist für das Verständnis sehr hilfreich. Schaue mir alles in Ruhe an, probiere alle Tipps und verfolge den Brumm mal mit dem Oszi. Die Rückführung von der Sekundärwicklung und die Anzapfung vom Ausgangstrafo wird bestimmt auch eine Rolle spielen.
Gruß, Jan

31.07.22 21:04
regency 

500 und mehr Punkte

31.07.22 21:04
regency 

500 und mehr Punkte

Re: Philips BD 390A

Hallo Jens,
das mit der gehörrichtige Lautstärke als Ursache klingt plausibel. Aber die
Messung Brumm am Lautsprecher scheint mir zu hoch:
Lautstärke zu: 30 mVss
Mitte: ca 100 mVss
volle Lautstärke ca 30mVss
Tests mit durchstimmbarem NF Generator am Eingang durchgeführt. Keine Verzerrungen des reinen Signals (Harmonische).

Bei meinem Philips ist auch die EAF42 als Triode geschaltet.

Ab Schleifer etwa in Höhe des zusätzlichen Angriffs wird das Signal sprunghaft angehoben und steigt dann weiter wie zu erwarten ist.

Brauche wohl noch mehr Zeit, HiFi wird daraus aber nicht werden. :-)

Gruß Jan

01.08.22 14:35
HB9 

500 und mehr Punkte

01.08.22 14:35
HB9 

500 und mehr Punkte

Re: Philips BD 390A

Hallo Jan,

es gibt zweierlei Sorten von Brumm: 50Hz-Einstreuung von Heizkreis oder Netz sowie 100Hz von ungenügender Siebung der Anodenspannung oder Masseschleifen. Somit solltest du mal nachmessen, welche Frequenz der Brumm hat, das geht am zuverlässigesten mit einem Oszi. 50Hz-Brumm hat wegen der heutzutage meistens stark verzerrten Netzspannung auch einen recht hohen Oberwellenantel, während der 100Hz-Brumm praktisch oberwellenfrei ist.

100Hz-Brumm ist bei diesen Geräten eigentlich normal, da der Aufwand für eine wirklich saubere Anodenspannung zu gross gewesen wäre. Bessere Geräte haben daher eine Brummkompensation über eine Anzapfung auf der Primärseite des Ausgangstrafos oder richtig gute Geräte eine Gegentaktendstufe, wo sich der Netzbrumm wegkompensiert, solange die Endstufe im A-Betrieb ist. Somit hilft bei 100Hz-Brumm nur eine bessere Siebung, also eine Siebdrossel und einen zusätzlichen Elko, damit auch die Anodenspannung der Endröhre brummfrei ist. Falls es ein Problem mit einer Masseschleife ist, kann man versuchen, den Masseanschluss der Elkos an einem anderen Ort anzuschliessen, dasselbe gilt für den Masseanschluss des Potis und der Sekundärseite des Ausgangstrafos. Die Elkos sollten auch überprüft werden, da bei Elektrolytverlust die Kapazität absinkt.

Im Fall von 50Hz-Brumm kann es eine kapazitive Einstreuung im Bereich Gitteranschluss der Vorstufe oder beim Lautstärkepoti sein, meistens von einer in der Nähe vorbeiführenden Heizspannungsleitung. In diesem Fall die Heizspannung möglichst weit vom NF-Pfad entfernt verlegen. Eine andere Möglichkeit ist eine Brummschleife. Die Heizspannung sollte nur an einem einzigen Punkt mit Masse (Chassis) verbunden sein und auf keinen Fall soll das Chassis als Rückleiter für den Heizstrom benutzt werden. Hin- und Rückleiter der Heizung jeder Röhre sind miteinander zu verdrillen, um magnetische Kopplungen zu vermeiden.
Der Netztrafo kann ebenfalls magnetisch 50Hz-Brumm einstreuen, in diesem Fall hilft nur ein Umplatzieren, was normalerweise nicht in Frage kommt.

Gruss HB9

01.08.22 20:30
regency 

500 und mehr Punkte

01.08.22 20:30
regency 

500 und mehr Punkte

Re: Philips BD 390A

Hallo Jens und HB9,
leider weiß ich nicht, wie "brummig" das Gerät nach Herstellung mal war und will mit meinen überschaubaren Kenntnissen an der originalen Verdrahtung und Bauteilplazierung möglichst wenig ändern. Das Einbau-UKW Teil habe ich ausgebaut und ins Regal gestellt. Das scheint nicht die Brummquelle zu sein. Die verbliebene Verdrahtung muss ich mir mal anschauen.

Habe den Brumm am Oszi mit externer NF Sinusquelle (345 Hz, unterschiedliche Vertikal-Messbereiche) abgelichtet. Hier die Bilder mit Lautstärke gleich Null, Mitte, maximal.

Die Brummspannung sind 50 Hz

Gruß Jan


Datei-Anhänge
Screenshot_20220801_194100_com.android.gallery3d.jpg Screenshot_20220801_194100_com.android.gallery3d.jpg (176x)

Mime-Type: image/jpeg, 137 kB

Screenshot_20220801_195927_com.android.gallery3d.jpg Screenshot_20220801_195927_com.android.gallery3d.jpg (178x)

Mime-Type: image/jpeg, 133 kB

Screenshot_20220801_193825_com.android.gallery3d.jpg Screenshot_20220801_193825_com.android.gallery3d.jpg (183x)

Mime-Type: image/jpeg, 128 kB

02.08.22 08:57
regency 

500 und mehr Punkte

02.08.22 08:57
regency 

500 und mehr Punkte

Re: Philips BD 390A

Moin, habe am Schleiferabgriff den C36 abgetrennt. Das Brummen bleibt. Deutlich sind jetzt 150 Hz überlagert sichtbar.

Ich muss mich noch mehr mit der Schaltung vertraut machen, damit ich verstehe, was ich tue. Das heißt mit der halb automatischen Gitter Vorspannung, mit der fehlenden Siebdrossel bzw. dass der Ausgangstrafo direkt an die ungesiebte +Spannung nach dem Gleichrichter geht. NF Gegenkopplung, Siebung der Gitter Spannung, Brumm Kompensation.

Viele Grüße
Jan

02.08.22 09:33
HB9 

500 und mehr Punkte

02.08.22 09:33
HB9 

500 und mehr Punkte

Re: Philips BD 390A

Hallo Jan,

das tönt nach kapazitiver Brummeinstreuung auf das Gitter. Neben der Verdrahtung kann das auch von der Kapazität zwischen Heizung und Gitter in der Röhre sein, in diesem Fall hilft nur ein Röhrenwechsel. Du kannst testweise das Gitter der Vorröhre mit einem Kondensator (100nF..1uF Folienkondensator) mit der Kathode verbinden. Ist dann das Brummen weg, ist es definitiv Einstreuung auf den Gitterkreis. Um zu testen, ob die Röhre oder die Verdrahtung schuld ist, kann man das Gitter von der Schaltung abhängen und möglichst kurz mit einem Widerstand (Wert = Summe von R16, R17 und R18 mit der negativen Vorspannung verbinden (dort wo R18 angeschlossen ist). Wenn dann der Brumm weg ist, liegt es an der Verdrahtung, sonst an der Röhre. Allenfalls hilft es, wenn man die beiden Heizfadenanschlüsse an der Vorröhre vertauscht.

Gruss HB9

02.08.22 18:57
regency 

500 und mehr Punkte

02.08.22 18:57
regency 

500 und mehr Punkte

Re: Philips BD 390A

Hallo Jens und HB9,
ich bin sehr froh, dass ihr diese Hinweise aus fachmännischer Sicht gebt!

Habt etwas Nachsicht, wenn ich nicht sofort alles komplett richtig verstehe, nachvollziehen oder wie beabsichtigt umsetzen kann. Dazu benötige ich etwas mehr Zeit mit meinem gefährlichen Halbwissen und neben dem Vollzeitjob. Ich glaube aber, mit eurer Hilfe wird der Fehler bald hervortreten und der Verstärker entbrummt sein. Ich mach dann mal weiter und schreibe hier, was passiert.

Viele Grüße,
Jan

 1 2 3 4 5 6
 1 2 3 4 5 6
Schirmgitterbeschaltung   bearbeitet   wumpus-gollum-forum   Röhrensockelanschlüsse   Rückkopplungsschaltung   Klangfarbenveränderung   Spannungsaufschaukelung   Notradio-Nachkriegscharakter   Philips-Vorsatzgerätes   Papierwickelkondensatoren   Sicherheitsvorkehrungen   Grüße   Oszillatorfrequenzgebietes   Schirmgitterspannungsteiler   Kondensatoren   Hochspannungsiolationsprüfung   Berührungsüberaschungen   Osillator-Schwingkreisspannung   Philips   Lautsprecherstoffreinigung