| Passwort vergessen?
Sie sind nicht angemeldet. |  Anmelden

Sprache auswählen:

Wumpus Gollum Forum von
Wumpus Welt der (alten) Radios
Sie sind nicht angemeldet.
 Anmelden

Aktiv Lautsprecher Philips 22RH544 braucht Netztrafo
  •  
 1 2 3 4 5 6
 1 2 3 4 5 6
30.01.22 17:52
Wolfgang2 

500 und mehr Punkte

30.01.22 17:52
Wolfgang2 

500 und mehr Punkte

Aktiv Lautsprecher Philips 22RH544 braucht Netztrafo

Hallo zusammen

Ich bin im Besitz einiger Aktiv Lautsprecher von Philips. Die im Bild gezeigte Verstärkerplatine ist soweit restauriert. Bei diesen Modellen sind im Regelfall alle Kondensatoren weit Jenseits von dem was sie haben sollten oder dürfen. Wie man sieht ist die Platine ohne Trafo und der sieht auf dem Bild auch nicht mehr gut aus.
Ich schreibe deswegen weil es dazu eine Vorgeschichte gibt. Die Lautsprecher wahren innen so verdreckt das nichts mehr zu erkennen war. Daher wurden sie mir Spüli und heiß Wasser gründlich gereinigt und einige Tage auf der Heizung getrocknet. Es vergingen dann noch einige Tage bis alle Ersatzteile da wahren. Dann ging es an's tauschen der Teile und dem anschließenden Probelauf. Dieser gind auch etwa eine halbe Stunde gut bis ein Zischen zu hören war. Sofort alles aus und geschaut wo es her kam. Zu meinem erstaunen befand sich unter dem Trafo eine Pfütze die sich als Wasser herausstellte. Nun gut, im Trafo hatte die Sicherung ausgelöst und es war Ruhe im Karton. Ich hab die Lautsprecher erst mal zur Seite gestellt weil meine Laune etwas Schieflage hatte. Gestern hab ich sie wieder heraus geholt weil ich wissen wollte was los war.
Wie man auf dem Bild sieht fehlt dem Trafo die erste Wicklung. Diese hab ich abgewickelt auf der Suche nach der Sicherung. Dabei hab ich die Quelle des Wasservorrats im Trafo gefunden. Der Trafo besteht wie man sieht aus zwei Kunststoffkernen. Dazwischen hat sich wohl das Wasser gesammelt und konnte nicht verdunsten. Wie an den Blechen zu sehen ist habe ich versucht diese zu lösen. Leider sind sie so verklebt das sie nicht zu entfernen sind. Daher war der Trafo hin und ich hab angefangen die Sicherung zu suchen die im inneren des Trafo verbaut ist. Es gibt sie da sie in der Serviceanleitung eine Bestellnummer hat., aber leider unerreichbar ist.
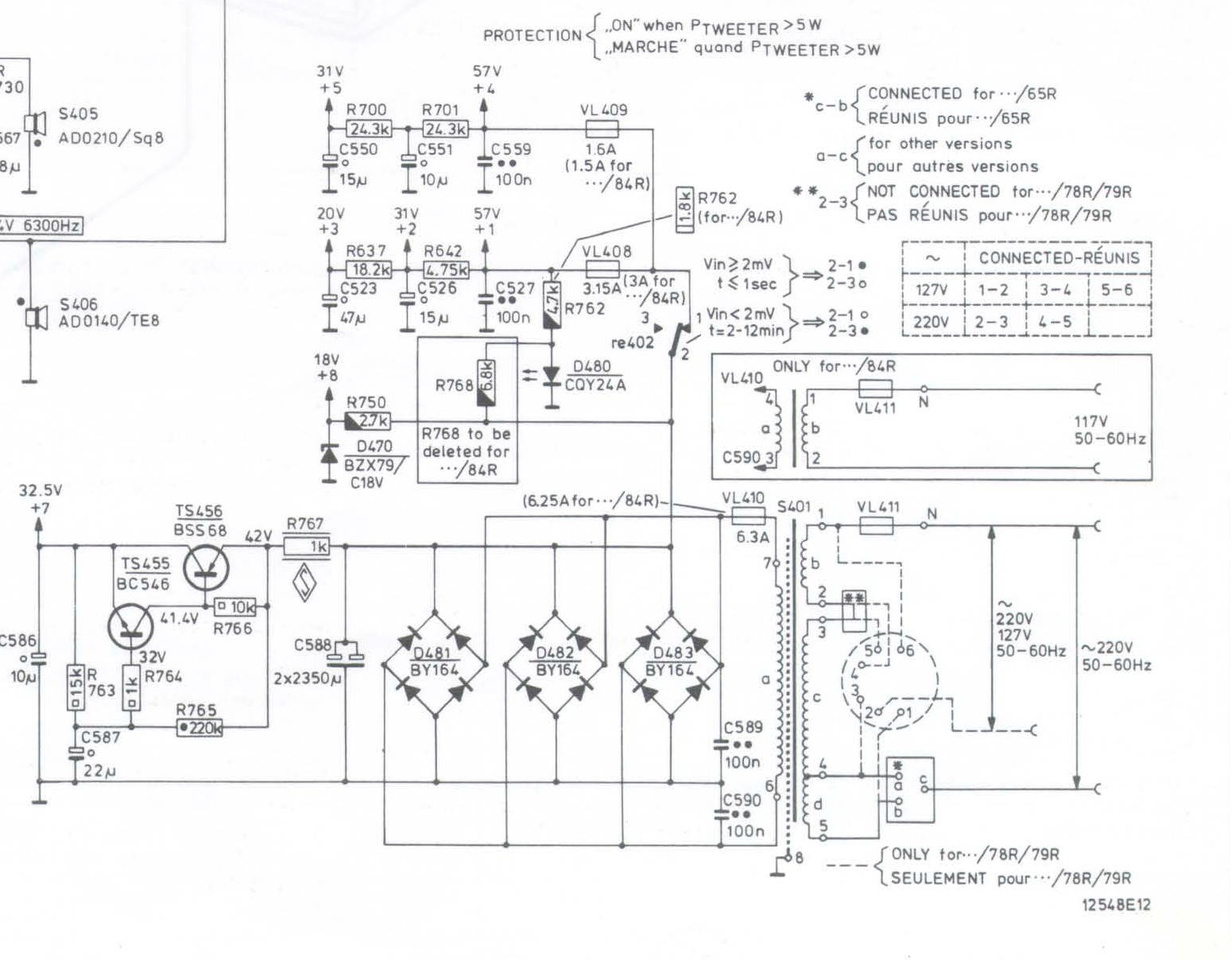
Nun aber zur eigentlichen Frage. Welcher Trafo ist als Ersatz geeignet? Den Teil der Spannungsumstellung werd ich deaktivieren. Wenn ich das auf den Plänen richtig gesehen habe liegen als größte Spannung hinter der Gleichrichtung 57(+4?) Volt an.

Wolfgang

Noch gefällt der Beitrag keinem Nutzer.
!
!!! Fotos, Grafiken nur über die Upload-Option des Forums, KEINE FREMD-LINKS auf externe Fotos.    

!!! Keine Komplett-Schaltbilder, keine Fotos, keine Grafiken, auf denen Urheberrechte Anderer (auch WEB-Seiten oder Foren) liegen!
Solche Uploads werden wegen der Rechtslage kommentarlos gelöscht!

Keine Fotos, auf denen Personen erkennbar sind, ohne deren schriftliche Zustimmung.

Den Beitrag-Betreff bei Antworten auf Threads nicht verändern!
30.01.22 19:19
Wolfgang2 

500 und mehr Punkte

30.01.22 19:19
Wolfgang2 

500 und mehr Punkte

Re: Aktiv Lautsprecher Philips 22RH544 braucht Netztrafo

Hallo Jens

Ersatz ist nicht machbar weil die LS richtig viel Geld kosten. Der Plan war der das ich einen wenn möglich Ringkerntrafo einbaue und falls der Preislich tragbar ist den anderen Lautsprecher nachrüste damit beide gleich sind. Die Frage ist ja welche Leistung der Trafo haben muß

30.01.22 22:04
Reflex-Kalle 

500 und mehr Punkte

30.01.22 22:04
Reflex-Kalle 

500 und mehr Punkte

Re: Aktiv Lautsprecher Philips 22RH544 braucht Netztrafo

Hi Wolfgang,

57V Rohspannung bei fast Leerlaufbelastung (denke ich mal, weil im Schaltplan nicht angegeben ist, unter welchen Bedingungen die Spannungsangaben zutreffen sollen) durch den Verstärker bedeutet ca. 40V Trafowechselspannung für den Gleichrichter. Da der Trafo sekundär mit 6,3A abgesichert ist, denke ich, dass der Trafo für 4…5A sekundären Laststrom bzw. eben 160…200VA Leistung dimensioniert sein sollte. Aber Vorsicht bei einem Ringtrafo, weil hoher Einschaltstrom.

Gruß

(Reflex-)Kalle

30.01.22 22:58
Wolfgang2 

500 und mehr Punkte

30.01.22 22:58
Wolfgang2 

500 und mehr Punkte

Re: Aktiv Lautsprecher Philips 22RH544 braucht Netztrafo

Hallo
Ich hab mal die beiden Schaltplanausschnitte vom Netzteil angehängt.

Einen Ringkerntrafo wollte ich deswegen nehmen weil die ja im HiFi Bereich besser sein sollen. Wenn das aber Probleme bei den Lautsprechern geben kann werd ich versuchen einen normalen Trafo zu finden. Die Ringkern die ich gefunden hatte haben 2x20 Volt und kamen wenn beide Wicklungen gebraucht wurden auf 5 bis 6 Ampere Leistung. Das war zumindest der Plan

Datei-Anhänge
Zwischenablage01.jpg Zwischenablage01.jpg (300x)

Mime-Type: image/jpeg, 616 kB

Zwischenablage02.jpg Zwischenablage02.jpg (356x)

Mime-Type: image/jpeg, 553 kB

31.01.22 11:34
Reflex-Kalle 

500 und mehr Punkte

31.01.22 11:34
Reflex-Kalle 

500 und mehr Punkte

Re: Aktiv Lautsprecher Philips 22RH544 braucht Netztrafo

HiFi hat nichts mit dem verwendeten Netztrafo zu tun. Aber man kann es natürlich mit dem Zusatz HiFi besser verkaufen. Gegenüber konventionellen Netztrafos ist der Vorteil von Ringkern-Netztrafos, dass sie bei selber Leistung kleiner sind, einen besseren Wirkungsgrad haben und etwas geringeren Innenwiderstand eines Gleichspannungsnetzteils damit ergeben. Der Nachteil ist der größere Einschaltstromstoß von Ringkerntrafos-Netztrafos, der aber im Leistungsbereich von ca. 200VA noch nicht zum Auslösen der Haussicherungen führen wird. Der von dir angedachte Ringkerntrafo wird schon nutzbar sein.Versuch macht klug.

31.01.22 12:14
ingodergute 

Moderator

31.01.22 12:14
ingodergute 

Moderator

Re: Aktiv Lautsprecher Philips 22RH544 braucht Netztrafo

Hallo Wolfgang,

bei Segor in Berlin gibt es RKT 30225 oder RKT 30222, die was Spannung und Leistung angeht passen könnten.

Viele Grüße

Ingo.
_____________
Analog bleiben!

Zuletzt bearbeitet am 31.01.22 14:16

31.01.22 12:43
Wolfgang2 

500 und mehr Punkte

31.01.22 12:43
Wolfgang2 

500 und mehr Punkte

Re: Aktiv Lautsprecher Philips 22RH544 braucht Netztrafo

Das mit dem Ringkern war nur so ein Gedanke weil ich da gleich welche gefunden hab die passen.

Ich hab da aber jetzt ein kleines Problem wegen des original Trafos. Ich hab mal ein Bild davon angehängt. Wozu soll das gut sein? Es gibt für die Lautsprecher zwei verschiedene Trafos die aber die gleiche Nummer haben. In den Schaltplänen ist der Unterschied zu sehen. Ein Trafo hat Ausgangsseitig zwei Ausgänge der andere drei. Die dritte Leitung ist das Kupferblech oder die Wicklung die man auf dem Bild sieht. Diese ist auf dem Schaltplan die Nummer 8 am Trafo oder die Position A9 auf dem Plan. Diese Leitung geht auf dem angehängten Plan an die Position C9. Wenn ich den Plan richtig lese ist das eine Masse. Wenn ich von dort zum Eisen des Trafos messe hab ich 1,5Volt. Diese fehlt mir aber ja an anderen Trafos die ich verbauen könnte oder seh ich da jetzt was falsch?
Am Trafoausgang hab ich im übrigen 45Volt gemessen. Ich nehme an das dies die Leerlaufspannung ist.

Datei-Anhänge
Zwischenablage03.jpg Zwischenablage03.jpg (289x)

Mime-Type: image/jpeg, 994 kB

20220131_120355[1].jpg 20220131_120355[1].jpg (323x)

Mime-Type: image/jpeg, 976 kB

31.01.22 12:46
HB9 

500 und mehr Punkte

31.01.22 12:46
HB9 

500 und mehr Punkte

Re: Aktiv Lautsprecher Philips 22RH544 braucht Netztrafo

Hallo zusammen,

es gibt noch einen Grund für Ringkerntrafos: das magnetische Streufeld ist deutlich kleiner, so dass es weniger Probleme mit Brumm-Einstreuungen gibt.

Um den Einschalt-Stromstoss zu reduzieren, kann man einen Leistungs-NTC mit einem Kaltwiderstand von 10..20 vorschalten, so wie das bei Schaltungen mit primärseitigem Gleichrichter gemacht wird. Wenn man es gut machen will, überbrückt man diesen dann verzögert mit einem Relais, das kann meistens parallel zu den Relais geschaltet werden, welche die Lautsprecher verzögert mit der Endstufe verbinden, um Einschalt-Kracher zu verhindern, welche die Lautsprecher zerstören würden.

Gruss HB9

31.01.22 12:53
HB9 

500 und mehr Punkte

31.01.22 12:53
HB9 

500 und mehr Punkte

Re: Aktiv Lautsprecher Philips 22RH544 braucht Netztrafo

Hallo,

das Kupferblech ist eine elektrostatische Abschirmung, um Brummeinstreuungen in die Elektronik zu vermeiden. Wenn der Trafo ausreichend Abstand zur Elektronik hat, ist das nicht nötig, andernfalls hilft auch ein Stück Blech oder Alufolie zwischen Trafo und Elektronik, das mit Masse verbunden ist. Die gemessenen 46V sind die Leerlaufspannung, die ist üblicherweise 10..20% höher als die Nennspannung, somit ist ein 36V- oder 40V-Trafo angesagt.

Die 1.5V kann verschiedene Ursachen haben. Zum einen gibt es innerhalb des Blechpakets eine Spannung (darum sind die Bleche ja gegeneinander isoliert), zum anderen kann es auch Spannungsabfall sein, wenn irgendwo die Verbindung nicht über alle Zweifel erhaben ist oder der gewählte Bezugspunkt nicht direkt mit Masse verbunden ist, sondern über einen eher niederohmigen Widerstand, um Brummschleifen zu unterbrechen.

Gruss HB9

31.01.22 13:38
Wolfgang2 

500 und mehr Punkte

31.01.22 13:38
Wolfgang2 

500 und mehr Punkte

Re: Aktiv Lautsprecher Philips 22RH544 braucht Netztrafo

Hallo

Ich hab zwei Pärchen der Lautsprecher, also insgesamt 4 Stück Bei den dreien die laufen hab ich die gleichen 1,5 Volt an dem Kabel dieses Kupferbleches anliegen. Kann das nicht doch oder auch eine Wicklung sein, und wenn ja wozu die 1,5 Volt
Ich hab ja wie man auf dem ersten Bild des Trafos sieht einen Kunststoffkern mit Wicklung. Dieser wird in einen weiteren Kern geschoben. Danach kommt zuerst die Kupferfolie die nach oben wie zu sehen ist auch Isoliert ist. Dann erst kommt die letzte Wicklung. Wozu macht man eine Abschirmung die auch noch 1,5 Volt hergibt zwischen zwei Wicklungen und verbindet das mit der Elektronik
Fragen über Fragen von einem Lehrling der auf dem Schlauch steht

 1 2 3 4 5 6
 1 2 3 4 5 6
Ringkerntrafos-Netztrafos   Aufwandsentschädigung“   Sicherheitsaufschläge   22RH544   Versandkostenerstattung   Polyester-Kondensatoren   Kunststoff-Folienkondensatoren   Lautsprecher   Ladespannungserzeugung   Kondensatoren   Netztrafo   Kleinspannungsanschlüsse   braucht   Gleichspannungsnetzteils   Wolfgang   Platine   Wicklungslagenisolation   Philips   transformatoren-mit-befestigung   Ersatzteil-Bestellnummer