| Passwort vergessen?
Sie sind nicht angemeldet. |  Anmelden

Sprache auswählen:

Wumpus Gollum Forum von
Wumpus Welt der (alten) Radios
Sie sind nicht angemeldet.
 Anmelden

Welter NT 300 Mono Röhrenverstärker Schaltplan
  •  
 1 2 3 4 5 6
 1 2 3 4 5 6
07.04.20 19:26
Reflex-Kalle 

500 und mehr Punkte

07.04.20 19:26
Reflex-Kalle 

500 und mehr Punkte

Re: Welter NT 300 Mono Röhrenverstärker Schaltplan

Vincentfan:
...
@ Reflex-Kralle
Ja, der Cavalli ist schon schön. Leider habe ich die ECC82 nicht (von der 5687 - welche ich noch nie gesehen habe - ganz abgesehen), dafür ist mit jetzt der Kathodenfolger klar.
...

Weiter runterscrollen, dann findest du die Schaltung mit einer EL84 und ECC83, die du ja besitzt. Ansonsten den direkten Link nehmen

[url=https://headwizememorial.wordpress.com/2018/03/20/a-tube-headphone-amplifier-preamp-with-relay-based-input-and-power-switching/]

!
!!! Fotos, Grafiken nur über die Upload-Option des Forums, KEINE FREMD-LINKS auf externe Fotos.    

!!! Keine Komplett-Schaltbilder, keine Fotos, keine Grafiken, auf denen Urheberrechte Anderer (auch WEB-Seiten oder Foren) liegen!
Solche Uploads werden wegen der Rechtslage kommentarlos gelöscht!

Keine Fotos, auf denen Personen erkennbar sind, ohne deren schriftliche Zustimmung.

Den Beitrag-Betreff bei Antworten auf Threads nicht verändern!
08.04.20 17:20
HB9 

500 und mehr Punkte

08.04.20 17:20
HB9 

500 und mehr Punkte

Re: Welter NT 300 Mono Röhrenverstärker Schaltplan

Hallo Daniel,

die Klangqualität ohne Gegenkopplung ist ähnlich einer 'normalen' Eintakt-Röhrenendstufe. Wenn man es besser machen will, spendiert man eine Gegenkopplung von der Kathode der Endröhre zum Steuergitter der Vorstufe. Da hier kein Trafo im Signalweg liegt, darf man auch etwas stärker gegenkoppeln, ohne dass Stabilitätsprobleme auftreten, in diesem Fall spendiert man eine zweite Triode als zusätzlichen Vorverstärker (bei Stereoausführung eine ECC83 pro Kanal). Wenn man Wert auf gute Kanaltrennung legt, sollte man nicht die beiden Kanäle mit derselben ECC83 verstärken, die Kapazität zwischen den beiden Anoden gibt bei hohen Frequenzen eine Kopplung, da keinerlei Abschirmung vorhanden ist.

Die Heizspannung muss gegenüber Masse nicht angehoben werden, wenn man eine EL84 als Kathodenfolger verwenden, denn die verträgt 100V zwischen Kathode und Heizfaden, und mehr als 20V an der Kathode gegen Masse kommen nicht zustande, wenn das Steuergitter gleichspannungsmässig an Masse liegt.

Gruss HB9

08.04.20 18:18
Reflex-Kalle 

500 und mehr Punkte

08.04.20 18:18
Reflex-Kalle 

500 und mehr Punkte

Re: Welter NT 300 Mono Röhrenverstärker Schaltplan

Mit nur 20V Kathodenspannung kommt man aber nicht auf einen ausreichenden Ausgangsstrom für niederohmige Kopfhörer und auch nicht auf eine ausreichende Ausgangsspannung für hochohmigere Kopfhörer. Ist gar nicht so einfach, einen weiten Impedanzbereich von (32)60...600(300) Ohm gängiger Kopfhörer mit ausreichender Ausgangsleistung von wenigstens 25..30mW (maximal 100mW) ohne Anpasstrafo zu realisieren.

Gruß

(Reflex-)Kalle

Zuletzt bearbeitet am 08.04.20 18:19

09.04.20 08:04
HB9 

500 und mehr Punkte

09.04.20 08:04
HB9 

500 und mehr Punkte

Re: Welter NT 300 Mono Röhrenverstärker Schaltplan

Hallo Kalle,

so viel Leistung braucht man gar nicht für einen Kopfhörer. Hifi-Kopfhörer werden üblicherweise bei einer Spannung von 1V spezifiziert, die Leistung ergibt sich dann aus der Impedanz (100..600). Alle mir bekannten Hifi-Kopfhörer bringen bei 1V einen Schalldruck >100dB, was wohl ausreicht, oder bei 10V sind es noch 20dB mehr.

Bei eher niederohmigen Kopfhörern ist der Strom, der die Röhre liefern kann, begrenzend, bei der EL84 sind das etwa 30mA Spitzenstrom, wenn man einigermassen innerhalb der Spezifikation bleibt. Aber selbst bei 600-Kopfhörern ergeben 20V immer noch 33mA und damit eine Leistung von 300mW (14Veff * 21mAeff), was jeden Kopfhörer innerhalb kurzer Zeit sterben lässt. Etwas mehr Spannungsabfall am Kathodenwiderstand ist natürlich besser, der dann höhere Widerstand 'frisst' auch weniger NF-Leistung. Dazu muss aber das Gitter nicht auf Masse, sondern eine entsprechend höhere Spannung gelegt werden, sinnvoll ist etwa 30V, so kommt die Kathode je nach gewünschtem Ruhestrom auf 40..50V. Alternativ kann man natürlich auf eine negative Hilfsspannung erzeugen und das 'kalte' Ende des Kathodenwiderstandes auf diese negative Spannung legen.

Gruss HB9

10.04.20 11:46
Reflex-Kalle 

500 und mehr Punkte

10.04.20 11:46
Reflex-Kalle 

500 und mehr Punkte

Re: Welter NT 300 Mono Röhrenverstärker Schaltplan

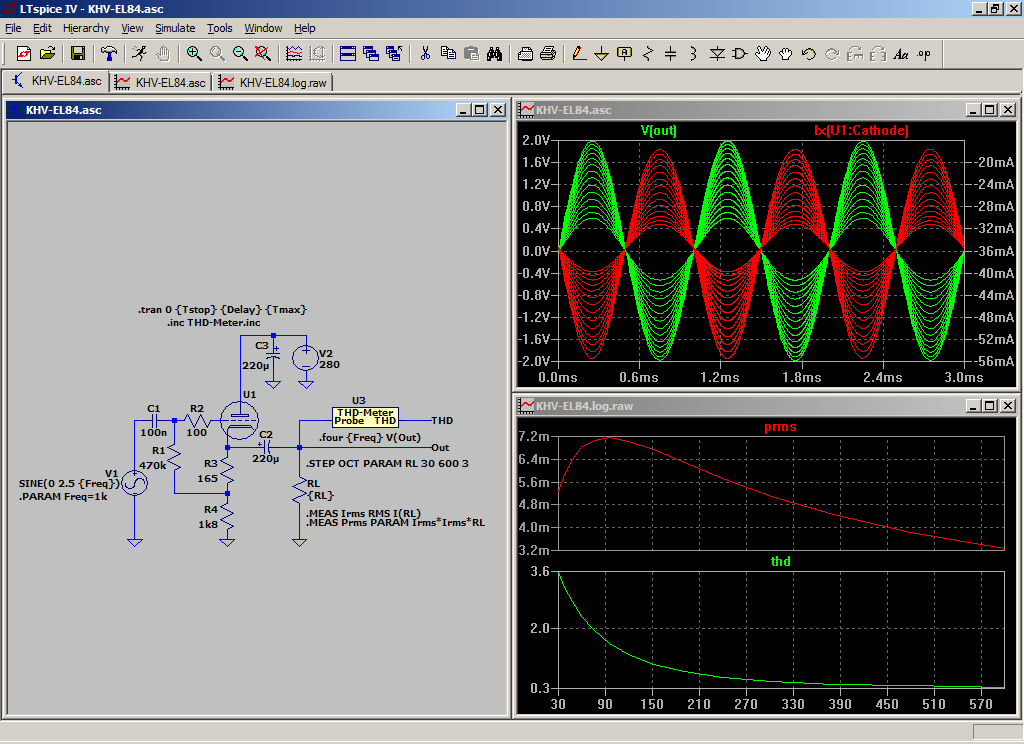
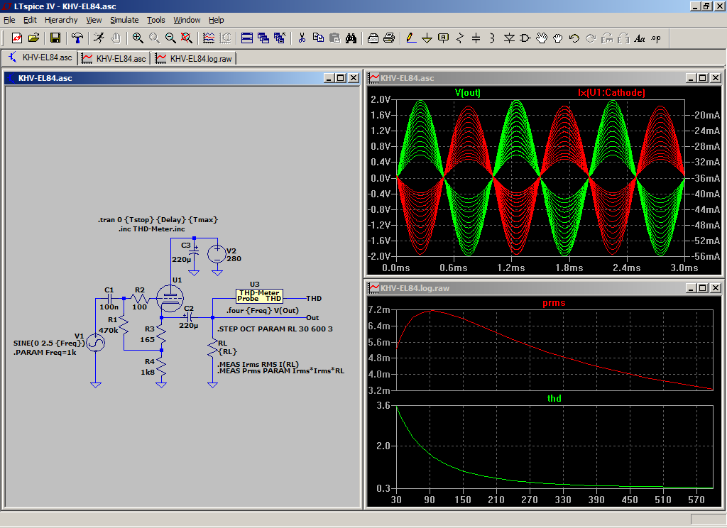
Da sich ja Trioden gut simulieren lassen, hab ich mal die EL84 Kathodenfolger-Endstufe der Schaltung

[url=https://headwizememorial.wordpress.com/2018/03/20/a-tube-headphone-amplifier-preamp-with-relay-based-input-and-power-switching/]

mit LTspice simuliert:





Für niederohmige Kopfhörer ergibt sich ein hoher Klirrfaktor und mit hochohmigen Kopfhörern bekommen relativ wenig Ausgangsleistung.

Gruß

(Reflex-)Kalle

Datei-Anhänge
KHV-EL84_2.5V.png KHV-EL84_2.5V.png (370x)

Mime-Type: image/png, 68 kB

KHV-EL84_5V.png KHV-EL84_5V.png (335x)

Mime-Type: image/png, 62 kB

13.04.20 10:28
Vincentfan 

100-249 Punkte

13.04.20 10:28
Vincentfan 

100-249 Punkte

Re: Welter NT 300 Mono Röhrenverstärker Schaltplan

Hallo an Alle,

Besten Dank für Eure Anregungen.

Der Schaltplan von Reflex-Kalle
[url=https:/ / headwizememorial.wordpress.com/2018/03/20/a-tube-headphone-amplifier-preamp-with-relay-based-input-and-power-switching/]
gefällt mir ganz gut ist (die Bauteile sind etwas überdimensioniert für einen Kopfhörerverstärker), da zwei ECC83 und zwei EL84 für Stereo.
Die nice-to-have Schaltungen wie Eingangswahl, Einschaltverzögerung, Lautstärke lasse ich weg, da der Verstärker vom Vorverstärker angesteuert werden soll. Ferner wollt eich einen 230V Telefunken Trafo benutzen (mit Gleichrichterröhre).
Die EM Schaltung will ich an die KH Buchse anlegen (wie aus der Schaltung von Jens).

Schöne Ostertage

Beste Grüsse

Daniel

13.04.20 14:31
Reflex-Kalle 

500 und mehr Punkte

13.04.20 14:31
Reflex-Kalle 

500 und mehr Punkte

Re: Welter NT 300 Mono Röhrenverstärker Schaltplan

Hi Daniel,

den Differenzvorverstärker mit eine ECC83 halte ich für etwas übertriebenen Aufwand. Soll eben dazu dienen, dass vom Signaleingang bis zum Ausgang keine Phasenumkehr vorhanden ist. HiFi-Esoteriker behaupten, dass dies besser klingt. Eine einfache Triodenvorstufe mit einer halben ECC83 tut es sicherlich genauso gut.

Schreib mal, welchen Netztrafo (aus welchem Radio) mit welcher Leerlaufspannung mit welcher Gleichrichter-Rohre du verwenden willst und welcher Signalpegel als Eingangssignal für den Kopfhörerverstärker zu erwarten ist. Dann kann man schon mal grob den Stereo-Verstärker auch mit einer ECC83 und zwei EL84 richtig dimensionieren. Das (fast) Wichtigste ist eine gut gesiebte Anodenbetriebsspannung bei der Schaltung. Mit Kopfhörern hört man kleinstes Brummen noch ganz gut.

Gruß

(Reflex-)Kalle

13.04.20 20:02
Reflex-Kalle 

500 und mehr Punkte

13.04.20 20:02
Reflex-Kalle 

500 und mehr Punkte

Re: Welter NT 300 Mono Röhrenverstärker Schaltplan

Mal als Anregung, wie man mit einer ECC83 Triode und einer EL84 Pentode einen Stereo-Kanal realisieren kann:

[url=http://www.fonar.com.pl/audio/diy/headphone1/headphone1.htm]

Da wird zwar eine ECL86 Verbund-Röhre verwendet, aber die entspricht weitgehend der Kombination aus ECC83 Triode und EL84 Pentode.

Den angeführten Fachzeitschriften-Artikel findet man auch im Web, braucht man aber nicht, weil da auch nicht viel mehr zu lesen ist.

13.04.20 22:36
Vincentfan 

100-249 Punkte

13.04.20 22:36
Vincentfan 

100-249 Punkte

Re: Welter NT 300 Mono Röhrenverstärker Schaltplan

Hallo Reflex-Kalle,

von dem ursprünglichen Ntztrafo bin ich mittlerweile abgewichen, weil - dank den unendlichen Weiten meines Kellers - ein weiterer Telefunken
Netztrafo (Typ 41.5112.050-34 - wahrscheinlich aus einer "Rhythmus" Radiotruhe) mit einem AEG Stabgleichrichter das Tageslicht erblickt hat. Somit entfällt die Geschichte mit der angedachten AZ Röhre.
Der Vorverstärker hat eine Ausgangsimpendanz von 50 Ohm und max 10 Volt(?) - lt.Herstellerangaben.

Beste Grüsse

Daniel

14.04.20 08:23
Reflex-Kalle 

500 und mehr Punkte

14.04.20 08:23
Reflex-Kalle 

500 und mehr Punkte

Re: Welter NT 300 Mono Röhrenverstärker Schaltplan

Der Telefunken-Netztrafo sollte von einem 59er Radio(-Chassis) stammen und die erzeugten nach einem Selen-Greatzgleichrichter am Ladeelko ca.265V bei ca. 60...70mA Gesamtstromaufnahme. Wäre also durchaus halbwegs verwendbar.

As ist das für ein Vorverstãrker? Klingt für mich mehr nach einem Kopfhörer-Verstärker für niederohmige Kopfhörer. Wenn der wirklich ca. 10V Ausgangsspannung liefert, was ja ca. 2W Ausgangsleistung entsprechen würde, dann braucht man keine Vorstufe für einen Kathodenfolger mit einer EL84 oder bestenfalls ein Vorstufe, um eine (starke) Gegenkopplung realisieren zu können, was ja bei den HiFi-Fans ein NoGo ist.

 1 2 3 4 5 6
 1 2 3 4 5 6
Fachzeitschriften-Artikel   Schaltung   Selen-Greatzgleichrichter   Selen-Graetzgleichrichter   Schaltplan   Alleinstellungsmerkmale   Röhrenverstärker   Kopfhörer-Verstärker   Kathodenwiderstand   Kathodenfolger-Endstufe   Gitterspannungsbezugspunkt   Grüsse   Kopfhörerverstärker   Kopfhörer   Differenzvorverstärker   a-tube-headphone-amplifier-preamp-with-relay-based-input-and-power-switching   Kathodenfolger   Eintakt-Röhrenendstufe   Heizfaden-Gitterschluss   Röhrenverstärkerbauern