| Passwort vergessen?
Sie sind nicht angemeldet. |  Anmelden

Sprache auswählen:

Wumpus Gollum Forum von
Wumpus Welt der (alten) Radios
Sie sind nicht angemeldet.
 Anmelden

Philips BD 390A
  •  
 1 2 3 4 5 6
 1 2 3 4 5 6
08.04.13 23:12
nobbyrad58 

500 und mehr Punkte

08.04.13 23:12
nobbyrad58 

500 und mehr Punkte

Re: Philips BD 390A

Halo Jan!

Genau so was. Hab ich als Stufenstelltrafo bis 600 W. Die Doku findest Du auf www.radiodatabase.nl. Allerdings alles auf Niederländisch.

MFG Nobby

!
!!! Fotos, Grafiken nur über die Upload-Option des Forums, KEINE FREMD-LINKS auf externe Fotos.    

!!! Keine Komplett-Schaltbilder, keine Fotos, keine Grafiken, auf denen Urheberrechte Anderer (auch WEB-Seiten oder Foren) liegen!
Solche Uploads werden wegen der Rechtslage kommentarlos gelöscht!

Keine Fotos, auf denen Personen erkennbar sind, ohne deren schriftliche Zustimmung.

Den Beitrag-Betreff bei Antworten auf Threads nicht verändern!
09.04.13 18:46
regency 

500 und mehr Punkte

09.04.13 18:46
regency 

500 und mehr Punkte

Re: Philips BD 390A

Hallo Nobby,

hab´s jetzt gefunden! Philips buizenradio na WOII heißt Röhrenradio nach dem 2. Weltkrieg. Voor wisselspanningsnetten, herrliche Bezeichnung. Und ich muss natürlich nach BX 390A durchforsten. Jetzt hats geklappt. Ich habe nun alle Unterlagen, die ich brauche!!

Heel hartelijk bedankt!

Jan

09.04.13 20:05
Martin.M 

500 und mehr Punkte

09.04.13 20:05
Martin.M 

500 und mehr Punkte

Re: Philips BD 390A

hallo alle,

die Philips-Insider findet man im gloidraat Forum, das wär in schwierigen Fällen die beste Adresse zur Informationsbeschaffung.
Interessanterweise funktioniert das sogar mit deutsch, wenn auch nicht so dolle

nette Grüße
Martin

14.04.13 23:33
regency 

500 und mehr Punkte

14.04.13 23:33
regency 

500 und mehr Punkte

Re: Philips BD 390A

Hallo zusammen,
einige spannungslose Messungen an der Eingangs/Mischstufe mit der ECH42 haben mich zuversichtlich gestimmt. Dazu habe ich bei gezogener Röhre Widerstands- und Kapazitätsmessungen und Resonanzmessungen vorgenommen. In den Servicunterlagen gibt es sogar einen Plan für alle R und einige C durchnummeriert für alle Röhrensockelanschlüsse, allerdings für einem spezielles Philips Messgerät und gegen Masse.

Diese alte Methode kann schon viel bringen, und ist absolut entspannt, da ohne Risko für unliebsame Berührungsüberaschungen für Mensch und Messgerät. Auch Schalterprobleme u.ä. lassen sich leicht finden. Misst man z.B. zwischen Pin 1 und 2 der Röhre, so sollten sich 33kOhm + 100 Ohm einstellen usw. Bei Kapazitätenmessungen ist zu schauen, welche Widerstandswerte eingebaut parallel liegen, ist das RC groß genug (Messgerät-abhängig, daher separat ausprobieren!) ist der Fehler gering. Man sieht auch, ober der Wert sich stabil einstellt oder undefiniert schwankt (dann ist der Kondensator ausgebaut zu prüfen).


Bei den Resonanzprüfungen habe ich den Oszi mit 10:1 Teiler direkt an das jeweilige Pakte des Drehkos für Eingangs- und Oszillator geklemmt und den Messender des Grid Dip Meters im die Nähe der Tastspitze gebracht. Das Ergebnis war, dass die Schwingkreise alle Wellenbereiche Resonanz zeigten und funktionieren sollten.

Dann ist die AZ41 eingetroffen. Die Spannungswerte an der Anode der Endpentode stiegen auf 235 V (234 V laut Schaltplan), diealte AZ41 war also wirklich hinüber. Nur der Oszillator wollte immer noch nicht schwingen.

Dann habe ich an den Oszillatorschwingkreis (der Gleichspannungsfrei ist) mit 10:1 Kabel den Oszi angeschlossen. DAS GERÄT SPIELTE JETZT AUF ALLEN BEREICHEN!! Dann ohne Kabel - nix schwingt mehr. Vermutung lage auf Masse, die der Oszi mitbringt (ist es nicht) und dass die Eigenkapazität des Kabels eine Rolle spielt. Jetzt habe ich die Oszillatorspannungen am Schwingkreis unteres (fu) und oberes Ende (fo) gemessen und die ZF mit verschiedenen Radiosendern bestimmt. Hier ein paar Ergebnisse:

Prüfung der ZF
LW Sender Oszi ZF (Differenz)
DRadio 177 kHz 647 kHz 470 kHz

MW Sender Oszi ZF (Differenz)
Stimme Russl. 693 kHz 1163 kHz 470 kHz
DR Kultur 990 kHz 1460 kHz 470 kHz

KW breit Sender Oszi ZF (Differenz)
Rumänien Int. 11875 kHz 11407 kHz 468 kHz
Spiegelfr. 12340 kHz 465 kHz (schlechter zu hören)


Messwerte Oszillatorschwingkreis in Vss (nach Teiler 10:1)

fu fo
LW 4 20
MW 6 20
KW breit 2,2 3,5
KW schmal 0,1 1,1

Hier sind die Schaltungen mit den entsprechenden Abstimmelementen:



Der Senderempfang ist trotz dieser großen Unterschiede recht gut. MW LW das übliche Störungsdesaster, KW erstaunlich klar. Lautstärkepoti am unteren Achtel schon Zimmerlautstärke. Der Oszillator braucht jedoch eine "Anschwinghilfe", es reicht bereits eine Messklemme!



Was kann die Ursache sein? C15 und C16 sollten ausscheiden, weil sie ja bei allen Bereichen genutzt werden. Für mich ist das im Moment ein großes Fragezeichen.

Schöne Grüße,
Jan
P.S. Wie gehen feste Leerzeichen?

Zuletzt bearbeitet am 14.04.13 23:57

Datei-Anhänge
Oszillator_KW_MW.jpg Oszillator_KW_MW.jpg (385x)

Mime-Type: image/jpeg, 52 kB

Schwinghilfe.jpg Schwinghilfe.jpg (402x)

Mime-Type: image/jpeg, 14 kB

15.04.13 16:10
nobbyrad58 

500 und mehr Punkte

15.04.13 16:10
nobbyrad58 

500 und mehr Punkte

Re: Philips BD 390A

Hallo Jan!

Für die ECH 42 wird eine V osc. von 8 V eff. angegeben. C 43 und R 5, R6 prüfen. Im übrigen könnten die anderen C's auch nicht mehr ihre optimalen Eigenschaften haben. Die Schirmgitterspannung des Hexodenteils messen. Klar ist das die Güte der Kreise bei hohen Frequenzen abnehmen und somit auch geringere Oszillatorspannungen zu erwarten sind. Nur die obigen Messergebnisse sind doch arg schwach. Eine verbrauchte ECH 42 käme auch in Frage, ein Tausch mit einer besseren wäre auch eine Möglichkeit.
Da sind noch einige Papierkondensatoren zu sehen, die würde ich auch tauschen. Nehmen wir die wichtige R C Kombi R 7 C 33, diese liegen zu den Schirmgittern der ECH 42 und der EAF 42. Ein hoher Leckstrom von C 33 verringert die Schirmgitterspannungen an beiden Röhren und verändert ihre Eigenschaften negativ. Es muss auch ohne Schwinghilfe gehen.

MFG Nobby

15.04.13 20:28
olli031971 

500 und mehr Punkte

15.04.13 20:28
olli031971 

500 und mehr Punkte

Re: Philips BD 390A

Hallo,

neben den Punkten, die Norbert anmerkte könnte einfacher Schmutz das Problem sein. Sind Röhrenboden bzw. Fassung verschmutzt kann dies Verluste mit sich ringen, die eine evtl. schon schwächelnde Oszillatorröhre am Anschwingen hindert.

Gruß
Oliver

15.04.13 22:20
regency 

500 und mehr Punkte

15.04.13 22:20
regency 

500 und mehr Punkte

Re: Philips BD 390A

Hallo Nobby, Oliver und alle,
die "Schwinghilfe" hat sich erledigt, es ist mechanisch bedingt und lässt mit seitlichen Druck auch mit einem Holzstab erledigen, die genaue Stelle muss noch gefunden werden.

Nochmal zu den Messwerten. Gestern abend habe ich die Messwerte nicht in Tabellenform hinbekommen. Daher jetzt als Bild eingefügt. Die Osillator-Schwingkreisspannung steigt zum oberen Frequenzende hin stark an. Bei Mittel- und Langwelle ohne Tastteiler über 100 Vss



Die gemeinsame Schirmgitterspannung der HF-Röhren ist bei MW/LW 95 V (ohne Antennensignal) und geht bis 180 V mit abgestimmten Sender. Bei KW ohne Antenne 115 V und steigt mit abgestimmtem Sender auf 135 V an. Die Ruhewerte sind im Vergleich zum Schaltplan zu hoch, dort werden 90 V angegeben. Hier werde ich die ECH42 und die EAF42 jeweils testweise tauschen.

Die gemessenen Oszifrequenzen sind stundenlang innerhalb weniger Hertz stabil.

Weiter gehts, vielen Dank für alle Tipps.

Schöne Grüße,
Jan

Zuletzt bearbeitet am 15.04.13 22:22

Datei-Anhänge
Messwerte.gif Messwerte.gif (397x)

Mime-Type: image/gif, 4 kB

16.04.13 15:58
nobbyrad58 

500 und mehr Punkte

16.04.13 15:58
nobbyrad58 

500 und mehr Punkte

Re: Philips BD 390A

Hallo Jan!

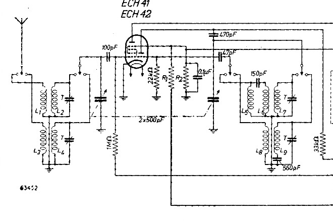
Das Radio ist ein gutes Beispiel dafür, wie man mit geringen Aufwand aber geschickter Planung und Ausführung viel erreichen kann. Allerdings macht mich ein Schaltungsdetail etwas stutzig. Nämlich die Speisung der Schirmgitter der ECH 42 und EAF 42 (ZF) mit nur einem Vorwiderstand von 27 K. Philips selbst gibt an die Speisung der (des) Schirmgitters(s) soll unbedingt über einen Spannungsteiler 27 K + 27 K erfolgen. Einiger meiner Radios mit der ECH 42 haben einen solchen Spannungsteiler. Die Schaltung des BD 390 ist hier ein bisschen zu sparsam geplant meine ich, natürlich müssen die ca. 4 mA vom Netzteil zusätzlich bereitgestellt werden.
Die Betriebsdaten als Mischröhre mit diesem Spannungsteiler R1/R2 von Philips selber.
Kleiner Nachtrag: Beim Lesen von Philips Schrifttum wird bei KW Osz. Spulen eine Sonderspule beschrieben. Diese Spule müsste im obigen Plan S 14 sein. Diese soll eine Aufschaukelung verursachen. Die Frequenz, bei der diese Spannungsaufschaukelung maximimal ist, wird hauptsächlich durch die Kombination Sonderspule und Kopplungskapazität bestimmt und es wird empfohlen diese Resonanzfrequenz außerhalb des Oszillatorfrequenzgebietes zu halten. Somit ist da auch noch eine "Stellschraube" denn die Kopplungs C sind laut Plan Trimmer.

MFG Nobby

Zuletzt bearbeitet am 16.04.13 18:09

Datei-Anhänge
ECH 42 Betriebsdaten Mischr..jpg ECH 42 Betriebsdaten Mischr..jpg (427x)

Mime-Type: image/jpeg, 116 kB

17.04.13 17:42
nobbyrad58 

500 und mehr Punkte

17.04.13 17:42
nobbyrad58 

500 und mehr Punkte

Re: Philips BD 390A

Hallo an Alle!

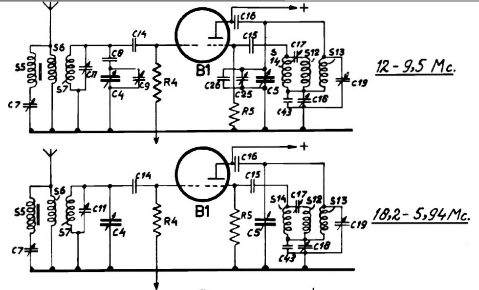
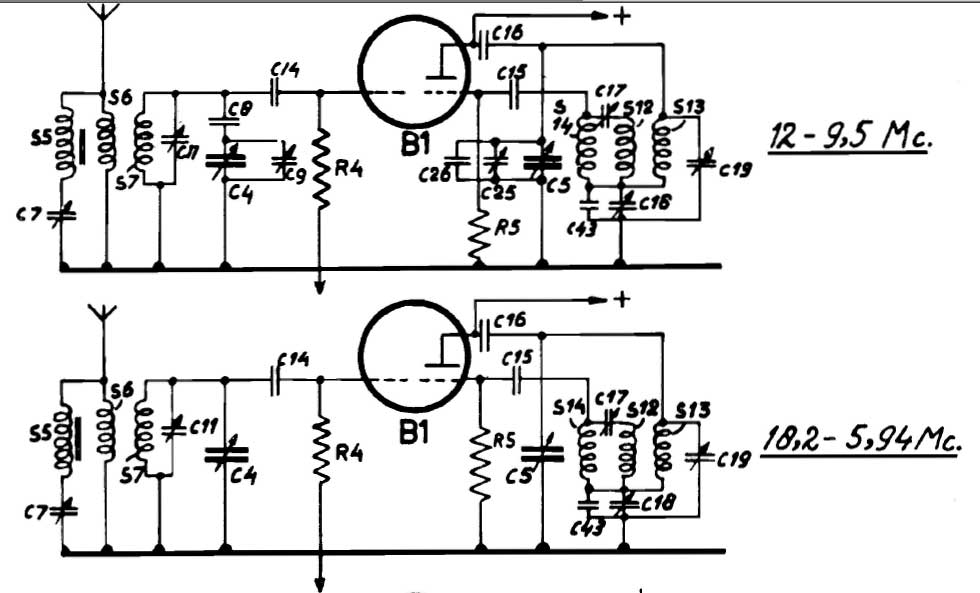
Um die Sache mit der Sonderspule am KW Oszillator mal zu veranschaulichen nochmals eine Philips Schaltung, die als Vorlage für Entwickler von Empfängern dienen soll. Natürlich mit Philips Röhren.
Im Schaltplan bilden die Spulen L 6 + L7 den KW Oszillatorkreis und die RK. L 5 ist die Sonderspule. Der KW Osz. Kreis beim BD 390A ist ähnlich gebaut. R 1 und R 2 bilden den Schirmgitterspannungsteiler, dieser fehlt bein BD 390A. Offenbar wollte man den Ouerstrom von ca. 4 mA "sparen".

MFG Nobby

Datei-Anhänge
ECH 42 Schaltung AM Super MW + KW.jpg ECH 42 Schaltung AM Super MW + KW.jpg (504x)

Mime-Type: image/jpeg, 62 kB

ECH 42 Schaltung AM Super MW + KW 2.jpg ECH 42 Schaltung AM Super MW + KW 2.jpg (408x)

Mime-Type: image/jpeg, 40 kB

17.04.13 22:39
regency 

500 und mehr Punkte

17.04.13 22:39
regency 

500 und mehr Punkte

Re: Philips BD 390A

Hallo Nobby und alle,

jetzt habe ich die Oszillatoramplitude am Gitter der Triode der ECH42 und am Drehko mit jeweils 10:1 Tastteiler gemessen.



Bild A) MW bei 2V/DIV und Bild B) MW zum Test mit 100 pF parallel an C15 (Soll 56 pF). Bild C bei 0,2 V/DIV und KW. Die Verhältnisse sind nicht schlecht, die Amplitude bei KW halt etwas klein. Beim Empfang macht sich das wenig bemerkbar.

Die Gitterkombination (56 pF / 33 kOhm) wird bei KW durch die von dir angesprochene LC Kombination parallel zur Rückkopplungsspule gespeist. Dort liegt vielleicht auch der Schlüssel für die kleine Amplitude. Aber zunächst steht noch der testweise Röhrentausch an.

Nebenbei habe ich irgendwo gelesen, dass der Namensgeber der Rückkopplungsschaltung, die auch hier für den Oszillator verwendet wird, Meißner, das Patent am 10. April 1913 angemeldet hat. Vor einer Woche und genau Hundert Jahren. Das Prinzip ist schon ziemlich genial.

Der fehlende Spannungsteiler für die Schirmgitter scheint keine Probleme verursacht zu haben. Denn bei meinem Radio ist zwar schon der zusätzliche 100 Ohm Widerstand an der Anoder der Triode drin, eine vom Hersteller gemachte Veränderung gegenüber den ersten Geräten gleichen Typs. Da hätte man sonst auch an der Schirmgitterbeschaltung was verändert.

Schöne Grüße,
Jan

Datei-Anhänge
Oszamp.jpg Oszamp.jpg (369x)

Mime-Type: image/jpeg, 30 kB

 1 2 3 4 5 6
 1 2 3 4 5 6
Klangfarbenveränderung   Philips   Spannungsaufschaukelung   bearbeitet   Lautsprecherstoffreinigung   Papierwickelkondensatoren   Hochspannungsiolationsprüfung   wumpus-gollum-forum   Oszillatorfrequenzgebietes   Sicherheitsvorkehrungen   Schirmgitterspannungsteiler   Notradio-Nachkriegscharakter   Röhrensockelanschlüsse   Kondensatoren   Osillator-Schwingkreisspannung   Rückkopplungsschaltung   Grüße   Schirmgitterbeschaltung   Berührungsüberaschungen   Philips-Vorsatzgerätes